EasyManua.ls Logo

DINGLI S0812E - Page 65

Default Icon
95 pages
Print Icon
To Next Page IconTo Next Page
To Next Page IconTo Next Page
To Previous Page IconTo Previous Page
To Previous Page IconTo Previous Page
Loading...
OPERATOR’S MANUAL with Maintenance Information
Maintenance
61
fully charged. Proceed to step 11.
¤ Result: The difference in specific gravity
readings between cells is greater than 0.1
OR the specific gravity of one or more cells
is less than 1.177. Replace the battery.
11 Check the battery acid level. If needed,
replenish with distilled water to 3 mm
below the bottom of the battery fill tube. Do
not overfill.
12 Install the vent caps and neutralize any
electrolyte that may have spilled.
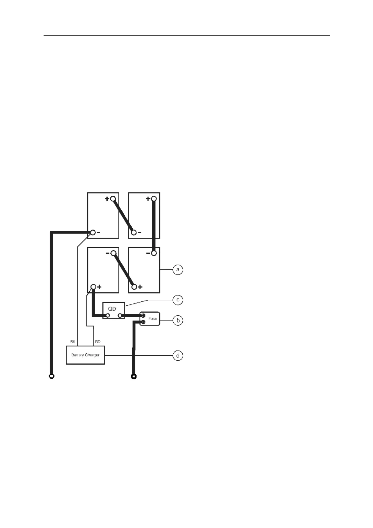
a batteries
b 250A fuse
c quick disconnect
d battery charger
All models:
13 Check each battery pack and verify that
the batteries are wired correctly.
14 Inspect the battery charger plug and pigtail
for damage or excessive insulation wear.
Replace as required.
15 Connect the battery charger to a properly
grounded 110 - 230V / 50 – 60 Hz single
phase AC power supply.
Result: The charger should operate and
begin charging the batteries.
¤ Result: If, simultaneously, the charger alarm
sounds and the LEDs blink, correct the
charger connections at the fuse and battery.
The charger will then operate correctly and
begin charging the batteries.
Note: For best results, use an extension of
adequate size with a length no longer than
15m.
Note: If you have any further questions
regarding the battery charger operation,
please contact the DINGLI Service
Department.

Related product manuals