EasyManua.ls Logo

DINGLI S1412-EXC - Schematic

Default Icon
95 pages
Print Icon
To Next Page IconTo Next Page
To Next Page IconTo Next Page
To Previous Page IconTo Previous Page
To Previous Page IconTo Previous Page
Loading...
OPERATOR’S MANUAL with Maintenance Information
Schematic
81
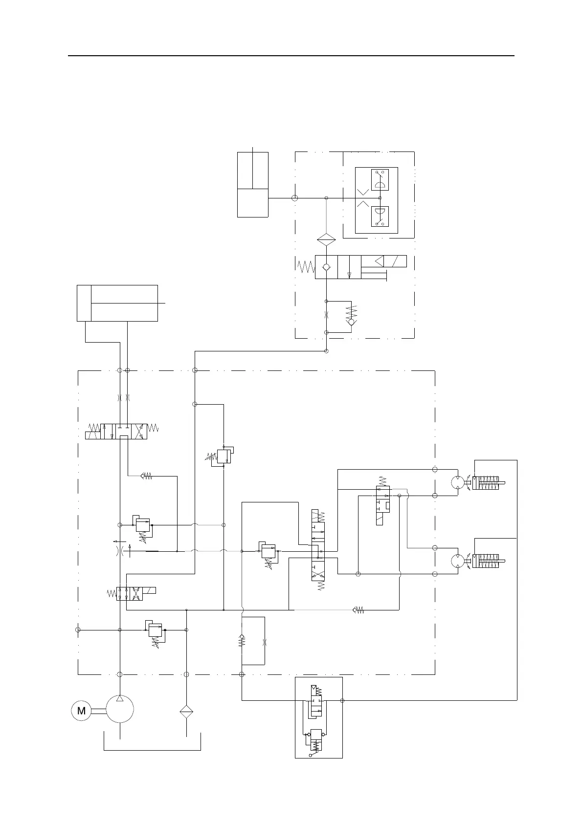
Hydraulic Schematic
S0608EH S0808EH S0812EH
SV2
1mm
1mm
S1 S2
P
M
T
BRK
RV1
SV1
FR
RV4
CV2
RV3
CV1
1.1mm
SV4
SV3
D3
D2
D1
D4
L
P41
P42
CV2
1.5mm
Lower valve
NBCY-1001A-11
235bar
3.45bar
Tank
Pump
5802-4-12
Valve 5805-0116R
Hand pump
5805-0412(960020A10)
Platform loading
Option
Steer cylinder
Lift cylinder
120bar
RV2=130bar(S0608EH)
RV2=160bar(S0808EH)
RV2=210bar(S0812EH)

Related product manuals