EasyManua.ls Logo

DINGLI SL1323-AWD - Page 71

DINGLI SL1323-AWD
73 pages
Print Icon
To Next Page IconTo Next Page
To Next Page IconTo Next Page
To Previous Page IconTo Previous Page
To Previous Page IconTo Previous Page
Loading...
OPERATOR’S MANUAL with Maintenance Information
Schematic
67
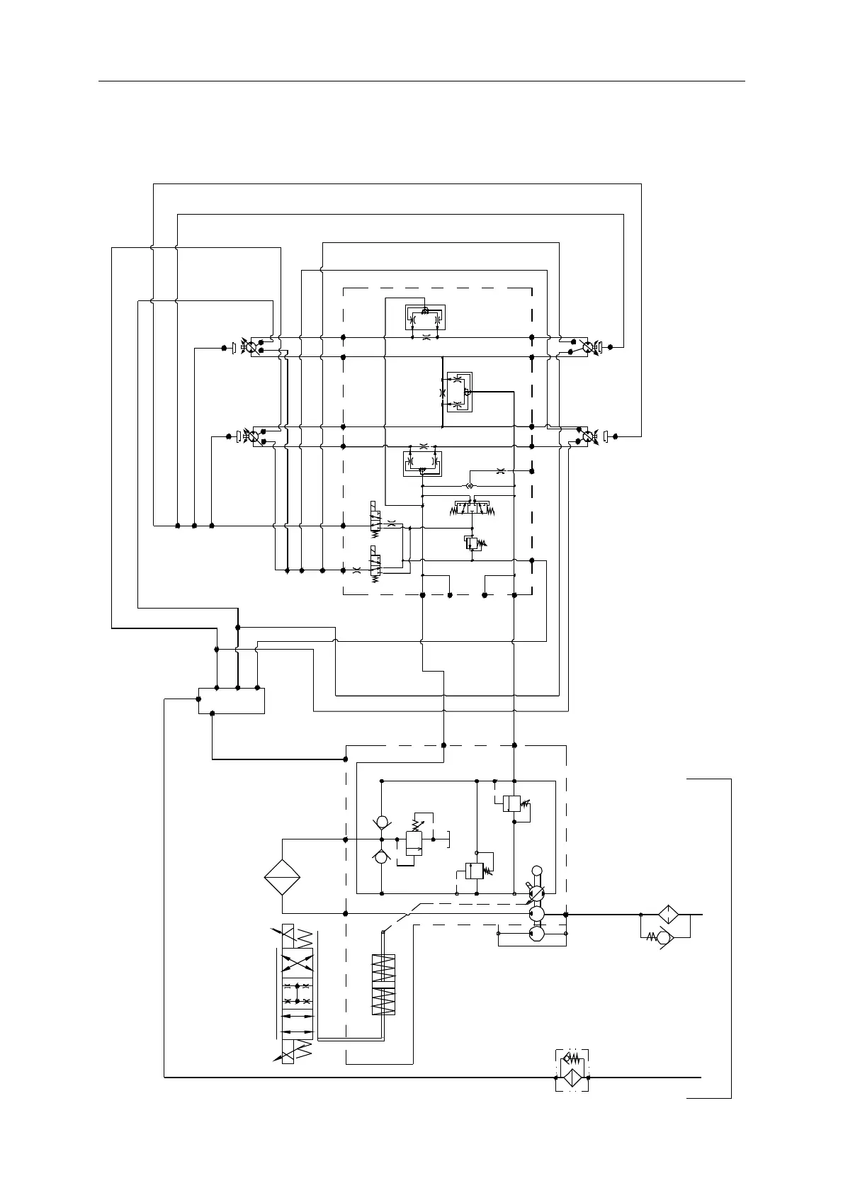
Hydraulic Schematic - Drive model
P1
TPS1
TPS2
P2
T
M2B
M4B
M2A M4A
2SPD
BRK M1A M1B M3B M3A
L
27bar
240bar
L
B
ED
1
2
3
4
5
S
A
BRK
T
X1
AB
Pump
5801-46-12
Oil cooler
5899-1312
Filter:
5899-0711
Oil return valve:
59-97011
Drive Valve
5805-0113
BRK
T
X1
A
B
BRK
T
X1
A
B
BRK
T
X1
A
B
24bar
SV8
SV9
RV1
HS1
LS1
ORF6
FD2
ORF3
ORF4
ORF5
FD3
FD1
ORF2
ORF1
a
b
LF Motor
:
5803-38-11
Filter
:
WU-100×80-J
Tank
RF Motor
:
5803-38-11
RR Motor
:
5803-38-11
LR Motor
:
5803-38-11

Related product manuals