EasyManua.ls Logo

DINKING DK3300i - Electrical Circuit Diagram; Electrical Schematic Diagram

DINKING DK3300i
35 pages
Print Icon
To Next Page IconTo Next Page
To Next Page IconTo Next Page
To Previous Page IconTo Previous Page
To Previous Page IconTo Previous Page
Loading...
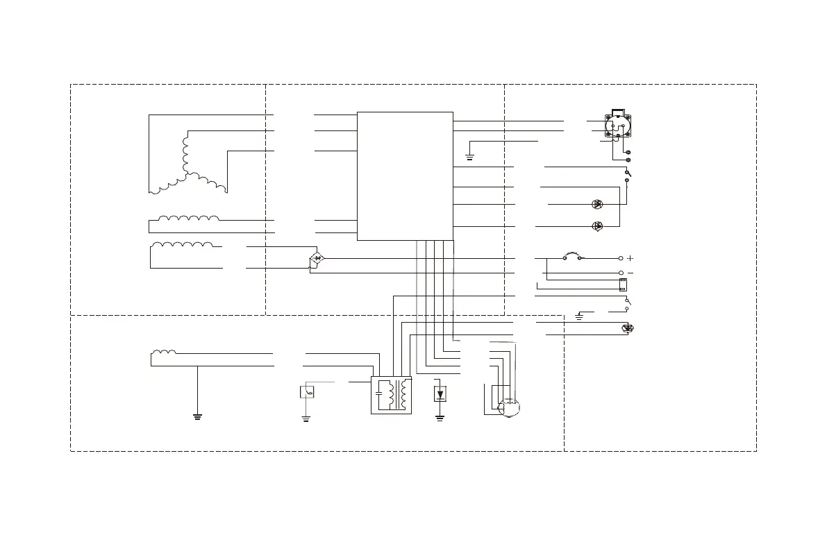
XII.Circuit diagram
50Hz, 230V Electrical Schematic Diagram
Thermal
isolation
Generator part
Inverter part
Control panel part
Shunt-connection
socket
AC outlet
Idle switch
Oil sensor
Generator part
Inverter part
Control panel
part
.Brown_
_ Brown.
AC outlet
_Brown_
Yellow/green
AC indicator
Overload
indicator
DC socket
USB _socket
Flameout switch
Oil warning indicator
Ignition coil
Spark
plug
Stepper motor
Ignition winding
Secondary
winding
Main winding
DC socket
Rectifier
bridge
Inverter
Yellow
Black
Brown
Brown
Blue
Blue
Brown
Blue
Blue
Black
Brown
Red
Blue
Yellow/Green
Green
Grey
Brown
Red
Red
Red
Black
Blue
White
Black
Blue
Red
Yellow
Orange
Pink

Related product manuals