EasyManua.ls Logo

dirna Bergstrom INTEGRAL POWER - Electric Wiring

dirna Bergstrom INTEGRAL POWER
Print Icon
To Next Page IconTo Next Page
To Next Page IconTo Next Page
To Previous Page IconTo Previous Page
To Previous Page IconTo Previous Page
Loading...
INTEGRAL POWER
Air conditioning for vehicles
12
EN
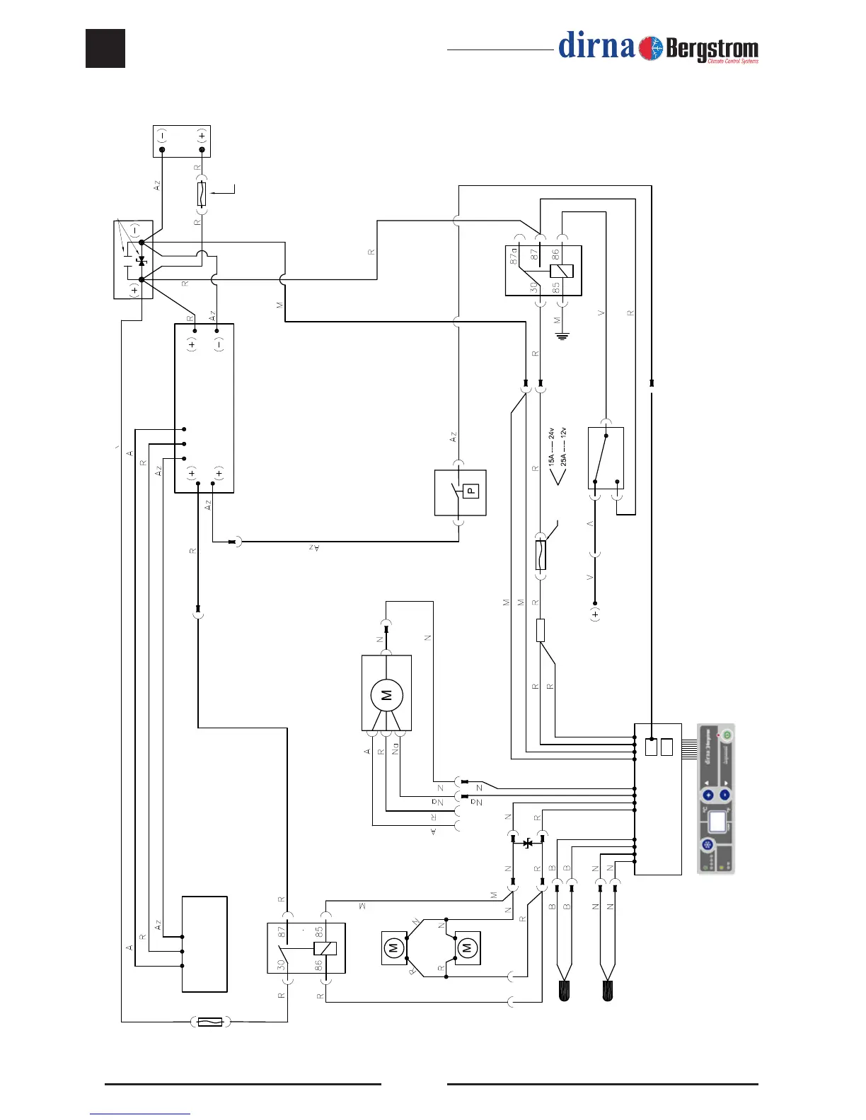
Electric wiring
Return air
sensor
Electronic control
Antifreeze sensor
Condenser
fan
Compressor
Centrifugal
blower
Compressor
module
Connections
centre
Capacitor and diode
only on 12v unit
Battery
Relay
Switch
Pressure switch
Fuse
(+) Positive with
motor running
50A Fuse
5A fuse

Related product manuals