EasyManua.ls Logo

dirna Bergstrom INTEGRAL POWER - Cablaggio Elettrico

dirna Bergstrom INTEGRAL POWER
Print Icon
To Next Page IconTo Next Page
To Next Page IconTo Next Page
To Previous Page IconTo Previous Page
To Previous Page IconTo Previous Page
Loading...
INTEGRAL POWER
Air conditioning for vehicles
30
IT
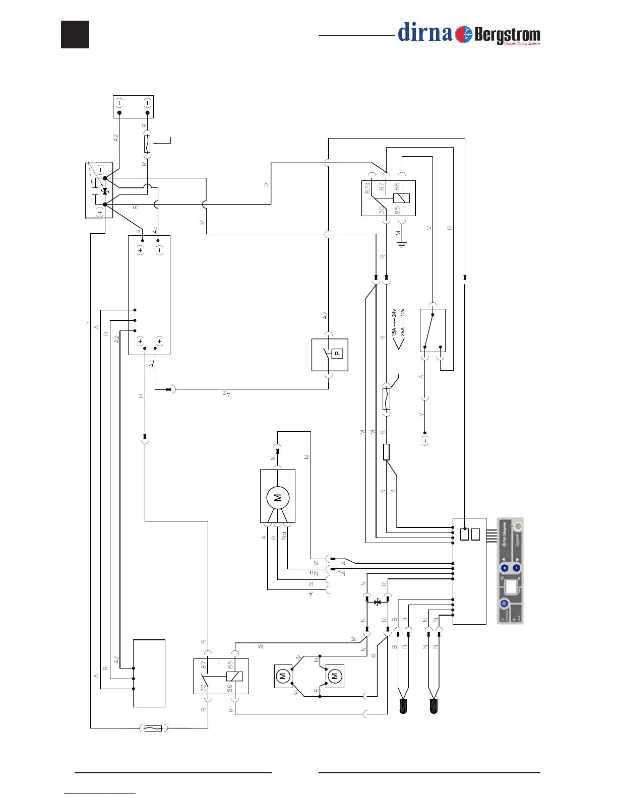
Cablaggio elettrico
Sensore aria di
ritorno
Controllo
elettronico
Sensore antigelo
Ventilatore del
condensatore
Compressore
Sofante
centrifugo
Modulo
compressore
Centro
connessioni
Condensatore e diodo
solo nel dispositivo da 12v
Batteria
Relè
Interruttore
Pressostato
Fusibile
(+) positivo con
motore avviato
Fusibile 50A
Fusibile 5A

Related product manuals