EasyManua.ls Logo

dirna Bergstrom INTEGRAL POWER - Esquema Eléctrico

dirna Bergstrom INTEGRAL POWER
Print Icon
To Next Page IconTo Next Page
To Next Page IconTo Next Page
To Previous Page IconTo Previous Page
To Previous Page IconTo Previous Page
Loading...
ES
INTEGRAL POWER
Air conditioning for vehicles
6
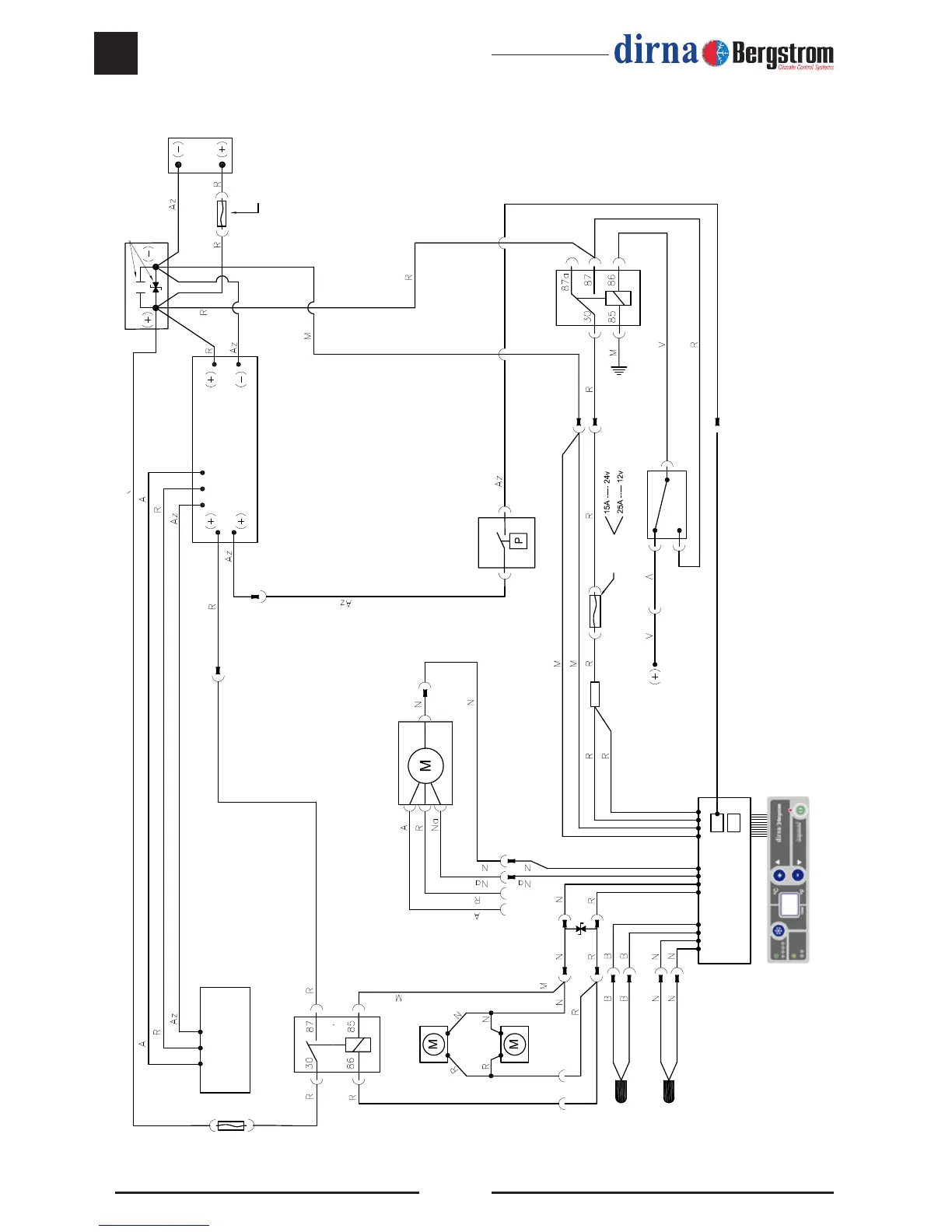
Esquema eléctrico
Sensor de aire
de retorno
Control
electrónico
Sensor anti-hielo
Ventilador
del condensador
Compresor
Soplador
centrífugo
Módulo
compresor
Centro
conexiones
Condensador y diodo
solo en equipo de 12v
Batería
Relé
Interruptor
Presostato
Fusible
(+) positivo con
motor arrancado
Fusible 50A
Fusible 5A

Related product manuals