EasyManua.ls Logo

dirna Bergstrom INTEGRAL POWER - Page 18

dirna Bergstrom INTEGRAL POWER
Print Icon
To Next Page IconTo Next Page
To Next Page IconTo Next Page
To Previous Page IconTo Previous Page
To Previous Page IconTo Previous Page
Loading...
INTEGRAL POWER
Air conditioning for vehicles
18
FR
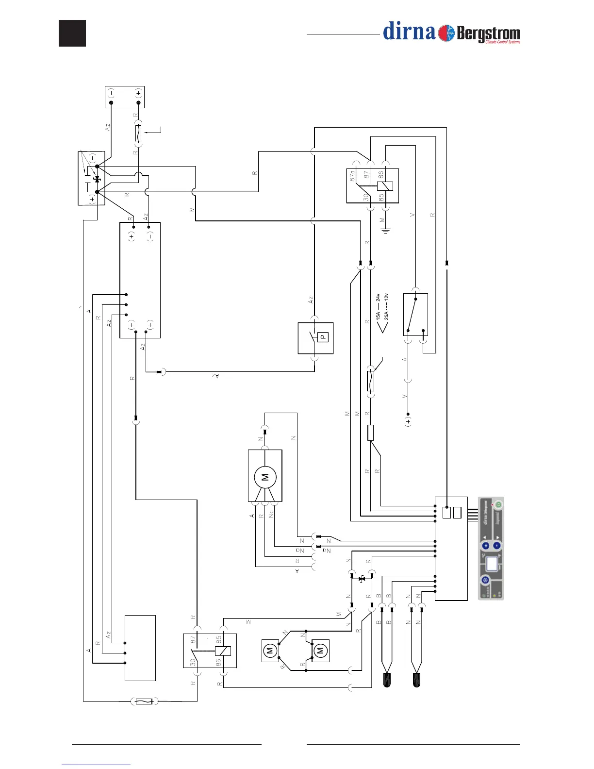
Câblage electrique
Capteur d’air de
retour
Contrôle électronique
Capteur antigel
Ventilateur du
condenseur
Compresseur
Soufeur
centrifuge
Module
compresseur
Centre
connexions
Condenseur et diode
seulement dans
équipement de 12v
Batterie
Relais
Interrupteur
Pressostat
Fusible
(+) positif avec
moteur démarré
Fusible 50A
Fusible 5A

Related product manuals