EasyManua.ls Logo

dirna Bergstrom INTEGRAL POWER - Page 24

dirna Bergstrom INTEGRAL POWER
Print Icon
To Next Page IconTo Next Page
To Next Page IconTo Next Page
To Previous Page IconTo Previous Page
To Previous Page IconTo Previous Page
Loading...
INTEGRAL POWER
Air conditioning for vehicles
24
GE
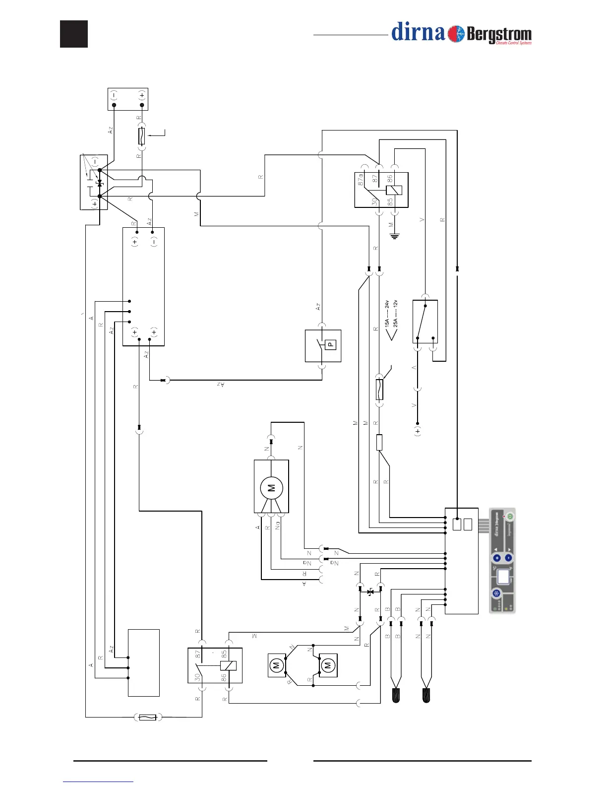
ElektrischeVerkabelung
Abluftsensor
Elektroniksteuerung
Frostschutzfühler
Kondensatorlüfter
Kompressor
Zentrifugalgebläse
Verdichtermodul
Schaltzentrum
Kondensator und Diode
nur bei 12V-Geräten
Batterie
Relais
Schalter
Druckwächter
Sicherung
(+) positiv bei
laufendem Motor
Sicherung 50A
Sicherung 5A

Related product manuals