EasyManua.ls Logo

dirna Bergstrom TRP Compact - Page 16

dirna Bergstrom TRP Compact
Print Icon
To Next Page IconTo Next Page
To Next Page IconTo Next Page
To Previous Page IconTo Previous Page
To Previous Page IconTo Previous Page
Loading...
EN
COMPACT
®
16
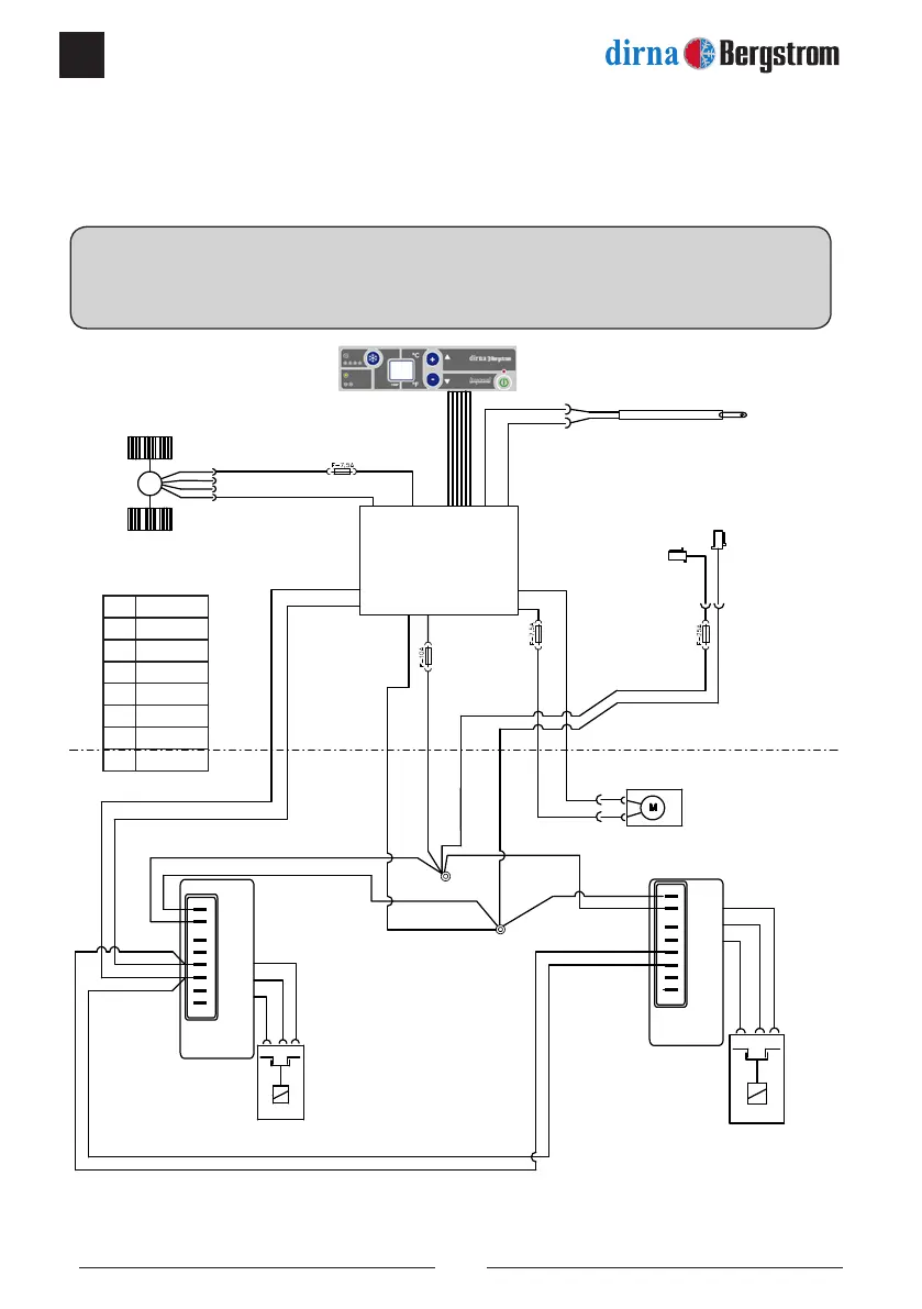
ALL MODELS EURO 6 WITHOUT ORIGINAL CONNECTION IN HATCH
Wiring Diagram
IMPORTANT NOTE!
Take care not to invert polarities when connecting the unit to the power supply; the display does not come
on and the unit does not work.
N
N
N
N
Na
N
B
M
M
R
B
B
M
-
+
+
R
M
F
I
C
P
T
-
+
+
F
I
C
P
T
R
M
NR
NR
R
R
M
R B
N
Az
Na
R
A
N
R B
Az
M
M
B
B
M
M
M
B
M
B
M
Az Blue
N Black
R Red
V Green
B White
A Yellow
Na Orange
M Brown
Return
air sensor
Electronic
control
Centrifugal
blower
Condenser
fan
Compressor
electronic
module
Compressor
electronic
module
25A Fuse
(in original fuse box)
Compressor
Compressor
2 Amp.
PWM.
NTC 15KΩ a 25º
Comsuption 30 mAmp.
4 Amp.

Related product manuals