EasyManua.ls Logo

dirna Bergstrom TRP Compact - Page 24

dirna Bergstrom TRP Compact
Print Icon
To Next Page IconTo Next Page
To Next Page IconTo Next Page
To Previous Page IconTo Previous Page
To Previous Page IconTo Previous Page
Loading...
FR
COMPACT
®
24
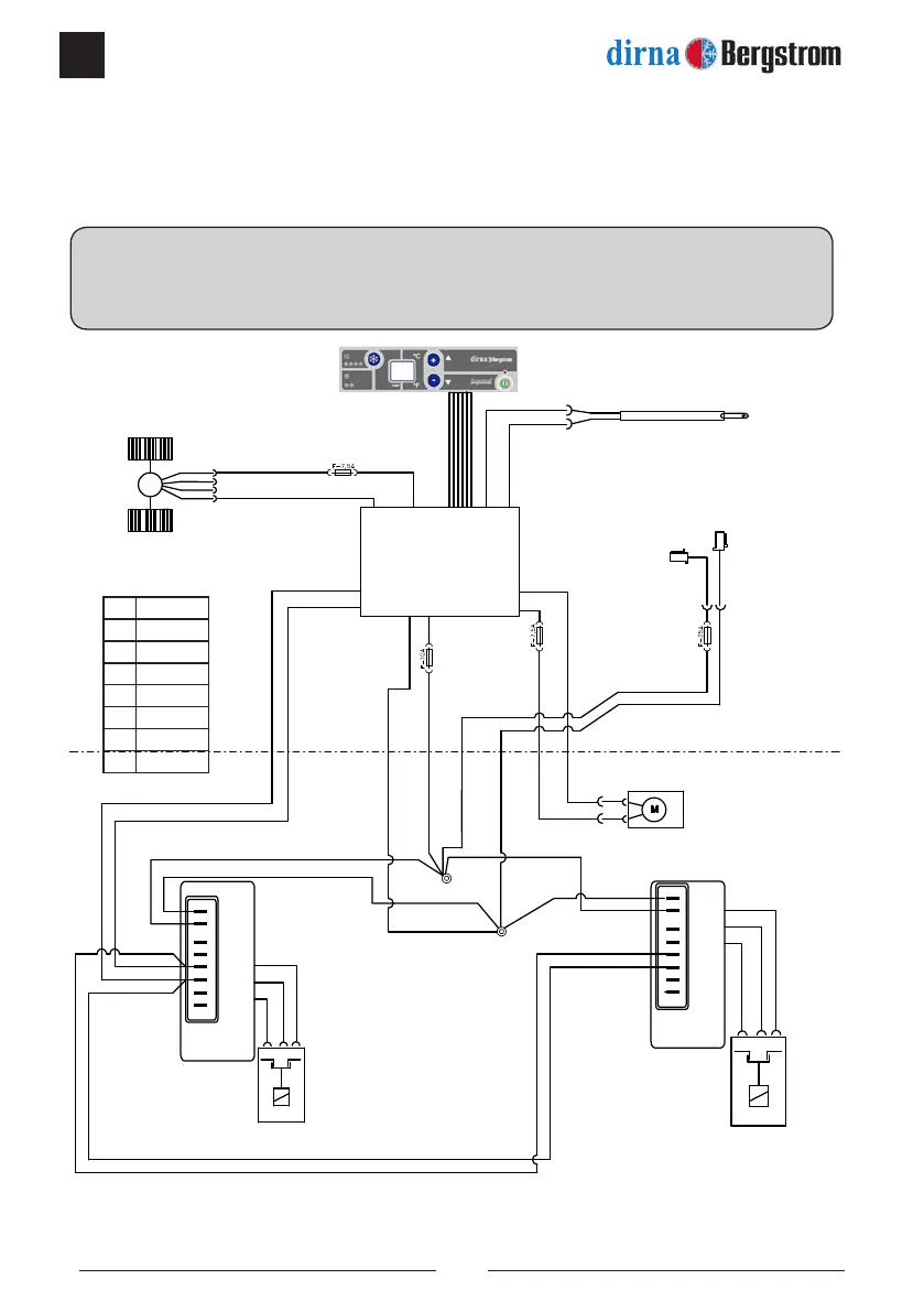
TOUS LES MODÈLES EURO 6 SANS PRISE ORIGINALE
DANS ÉCOUTILLE - Schéma électrique
AVIS IMPORTANT!
Veiller à ne pas inverser les polarités lors du branchement de l’alimentation sur l’appareil, l’afchage ne
s’allume pas et l’appareil ne fonctionne pas.
N
N
N
N
Na
N
B
M
M
R
B
B
M
-
+
+
R
M
F
I
C
P
T
-
+
+
F
I
C
P
T
R
M
NR
NR
R
R
M
R B
N
Az
Na
R
A
N
R B
Az
M
M
B
B
M
M
M
B
M
B
M
Az Bleu
N Noir
R Rouge
V Vert
B Blanc
A Jaune
Na Orange
M Marron
Capteur
air de retour
Contrôle
électronique
Soufeur
centrifuge
Ventilateur du
condenseur
Commande
électronique
compresseur
Commande
électronique
compresseur
25A fusionner
dans connecteur général
Compresseur
Compresseur
2 Amp.
PWM.
NTC 15KΩ a 25º
Consommation
électrique30 mAmp.
4 Amp.

Related product manuals