EasyManua.ls Logo

dirna Bergstrom TRP Compact - Page 32

dirna Bergstrom TRP Compact
Print Icon
To Next Page IconTo Next Page
To Next Page IconTo Next Page
To Previous Page IconTo Previous Page
To Previous Page IconTo Previous Page
Loading...
GE
COMPACT
®
32
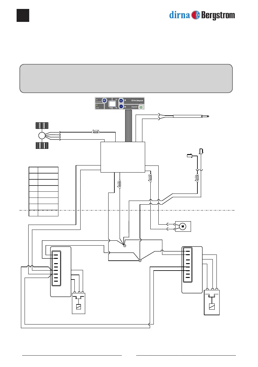
ALLE MODELLE EURO 6 OHNE ORIGINALANSCHLUSS IN DER LUKE
Schaltplan
WICHTIGER HINWEIS!
Darauf achten, dass die Polaritäten beim Anschluss der Stromversorgung an das Gerät nicht vertauscht
werden. Ist dies der Fall, schaltet sich das Display nicht an und das Gerät funktioniert nicht.
N
N
N
N
Na
N
B
M
M
R
B
B
M
-
+
+
R
M
F
I
C
P
T
-
+
+
F
I
C
P
T
R
M
NR
NR
R
R
M
R B
N
Az
Na
R
A
N
R B
Az
M
M
B
B
M
M
M
B
M
B
M
Az Blau
N Chwarz
R Rot
V Grün
B Weiss
A Gelb
Na Oranbe
M Braun
Sensor
(Rückluft)
Elektroniksteuerung
Zentrifugalgebläse
Kondensatorlüfter
Kompressor
electronisches
modul
Kompressor
electronisches
modul
25A Sicherung am
Originalverbinder
Kompressor
Kompressor
2 Amp.
PWM.
NTC 15KΩ a 25º
Stromverbrauch 30 mAmp.
4 Amp.

Related product manuals