EasyManua.ls Logo

dirna Bergstrom TRP Compact - Page 40

dirna Bergstrom TRP Compact
Print Icon
To Next Page IconTo Next Page
To Next Page IconTo Next Page
To Previous Page IconTo Previous Page
To Previous Page IconTo Previous Page
Loading...
IT
COMPACT
®
40
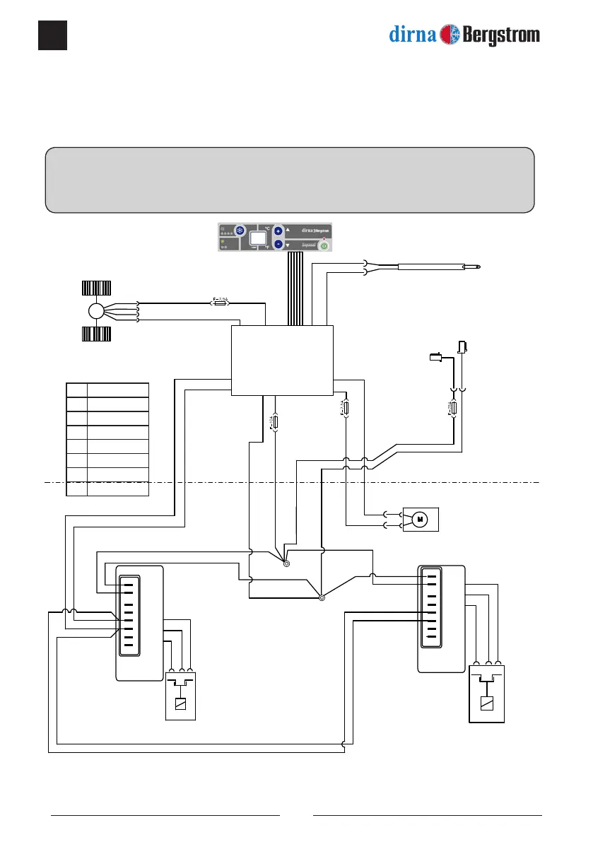
TUTTI I MODELLI EURO 6 SENZA PRESA ORIGINALE SUL TETTUCCIO
APRIBILE - Schema elettrico
AVVERTENZA IMPORTANTE!
Fare attenzione a non invertire le polarità quando si collega l’alimentazione sull’impianto, altrimenti il
display non si accende e l’impianto non funziona.
N
N
N
N
Na
N
B
M
M
R
B
B
M
-
+
+
R
M
F
I
C
P
T
-
+
+
F
I
C
P
T
R
M
NR
NR
R
R
M
R B
N
Az
Na
R
A
N
R B
Az
M
M
B
B
M
M
M
B
M
B
M
Az Blu
N Nero
R Rosso
V Verde
B Bianco
A Giallo
Na Arancione
M Marrone
Sensore
aria ritorno
Controllo
elettronico
Ventilatore
centrifugo
Ventilatore del
condensatore
Controllo
elettronico
compressore
Controllo
elettronico
compressore
Fusibile 25 A
nel connettore
originale
Compressore
Compressore
2 Amp.
PWM.
NTC 15KΩ a 25º
Consumo elettrico 30 mAmp.
4 Amp.

Related product manuals