EasyManua.ls Logo

dirna Bergstrom TRP Compact - Page 56

dirna Bergstrom TRP Compact
Print Icon
To Next Page IconTo Next Page
To Next Page IconTo Next Page
To Previous Page IconTo Previous Page
To Previous Page IconTo Previous Page
Loading...
CZ
COMPACT
®
56
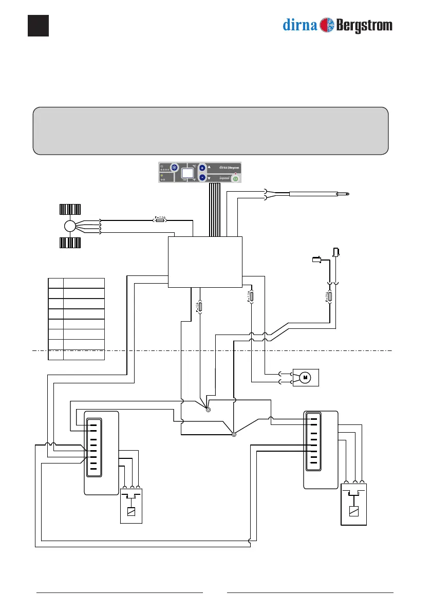
VŠECHNY MODELY EURO 6 BEZ ORIGINÁLNÍ ZÁSUVKY VE
VÝLEZOVÉM OTVORU - Elektrické schéma
DŮLEŽITÉ UPOZORNĚNÍ!
Věnujte zvýšenou pozornost připojení napájecích kabelů zařízení, aby nedošlo k záměně polarity. V
takovém případě se displej nerozsvítí a zařízení nebude fungovat.
N
N
N
N
Na
N
B
M
M
R
B
B
M
-
+
+
R
M
F
I
C
P
T
-
+
+
F
I
C
P
T
R
M
NR
NR
R
R
M
R B
N
Az
Na
R
A
N
R B
Az
M
M
B
B
M
M
M
B
M
B
M
Az Modrý
N Black
R Červený
V Zelený
B Cíl
A Žlutý
Na Oranžový
M Hnědý
Senzor pro zpětný
přívod vzduchu
Elektronické
ovládání
Odstředivý
ventilátor (dmychadlo)
Ventilátor
kondenzátoru
Řídicí
modul
kompresoru
Řídicí
modul
kompresoru
Pojistka na 25 A
u původního
konektoru
Kompresor
Kompresor
2 Amp.
PWM.
NTC 15KΩ a 25º
30 mAmp spotřeba.
4 Amp.

Related product manuals