EasyManua.ls Logo

dirna Bergstrom TRP Compact - Page 64

dirna Bergstrom TRP Compact
Print Icon
To Next Page IconTo Next Page
To Next Page IconTo Next Page
To Previous Page IconTo Previous Page
To Previous Page IconTo Previous Page
Loading...
NL
COMPACT
®
64
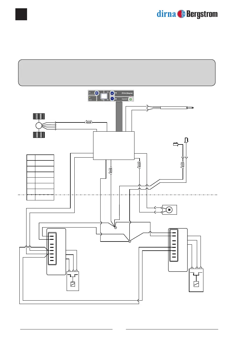
ALLE MODELLEN EURO 6 ZONDER ORIGINELE INLAAT VIA HET LUIK
Elektrisch schema
ERG BELANGRIJK!
Let op dat de polariteit van de aansluiting van de voeding op het apparaat niet verwisseld wordt. De
display zal in dat geval niet inschapelen en het apparaat zal niet werken.
N
N
N
N
Na
N
B
M
M
R
B
B
M
-
+
+
R
M
F
I
C
P
T
-
+
+
F
I
C
P
T
R
M
NR
NR
R
R
M
R B
N
Az
Na
R
A
N
R B
Az
M
M
B
B
M
M
M
B
M
B
M
Az Blauw
N Zwart
R Rood
V Groen
B Doel
A Geel
Na Oranje
M Bruin
Hercirculatiesonde
Elektronische
printplaat
Blazer
Wentylator
kondensatora
Besturingseenheid
van de
Compressor
Besturingseenheid
van de
Compressor
Zekering 25A
op originele
stekkers
Compressor
Compressor
2 Amp.
PWM.
NTC 15KΩ a 25º
Elektrisch verbruik 30 mAmp.
4 Amp.

Related product manuals