EasyManua.ls Logo

dirna Bergstrom TRP Compact - Page 72

dirna Bergstrom TRP Compact
Print Icon
To Next Page IconTo Next Page
To Next Page IconTo Next Page
To Previous Page IconTo Previous Page
To Previous Page IconTo Previous Page
Loading...
HU
COMPACT
®
72
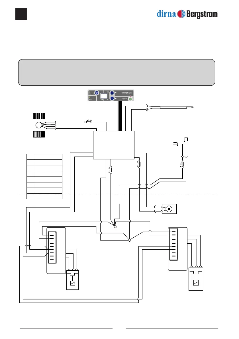
VALAMENNYI EURO 6 MODELL A TETŐABLAKNÁL KIALAKÍTOTT
EREDETI CSATLAKOZÁS NÉLKÜL - Elektromos vázlat
FONTOS FIGYELMEZTETÉS!
Ügyeljen rá, hogy a berendezés pólusait megfelelően csatlakoztassa, és azokat ne cserélje fel. Ellenkező
esetben a kijelző nem kapcsol be, és a berendezés nem működik.
N
N
N
N
Na
N
B
M
M
R
B
B
M
-
+
+
R
M
F
I
C
P
T
-
+
+
F
I
C
P
T
R
M
NR
NR
R
R
M
R B
N
Az
Na
R
A
N
R B
Az
M
M
B
B
M
M
M
B
M
B
M
Az
Kék
N
Fekete
R
Vörös
V
Zöld
B
Fehér
A
Sárga
Na
Narancssárga
M
Barna
Visszatérő levegő
érzékelője
Elektronikus
vezérlő
Centrifugál
ventilátor
Kondenzátor
ventilátora
Kompresszor
elektronikus
modulja
Kompresszor
elektronikus
modulja
25 A-es biztosíték
az eredeti
csatlakozásban
Kompresszor
Kompresszor
2 Amp.
PWM.
NTC 15KΩ a 25º
Fogyasztás 30 mA
4 Amp.

Related product manuals