EasyManua.ls Logo

dirna Bergstrom TRP Compact - Page 80

dirna Bergstrom TRP Compact
Print Icon
To Next Page IconTo Next Page
To Next Page IconTo Next Page
To Previous Page IconTo Previous Page
To Previous Page IconTo Previous Page
Loading...
PT
COMPACT
®
80
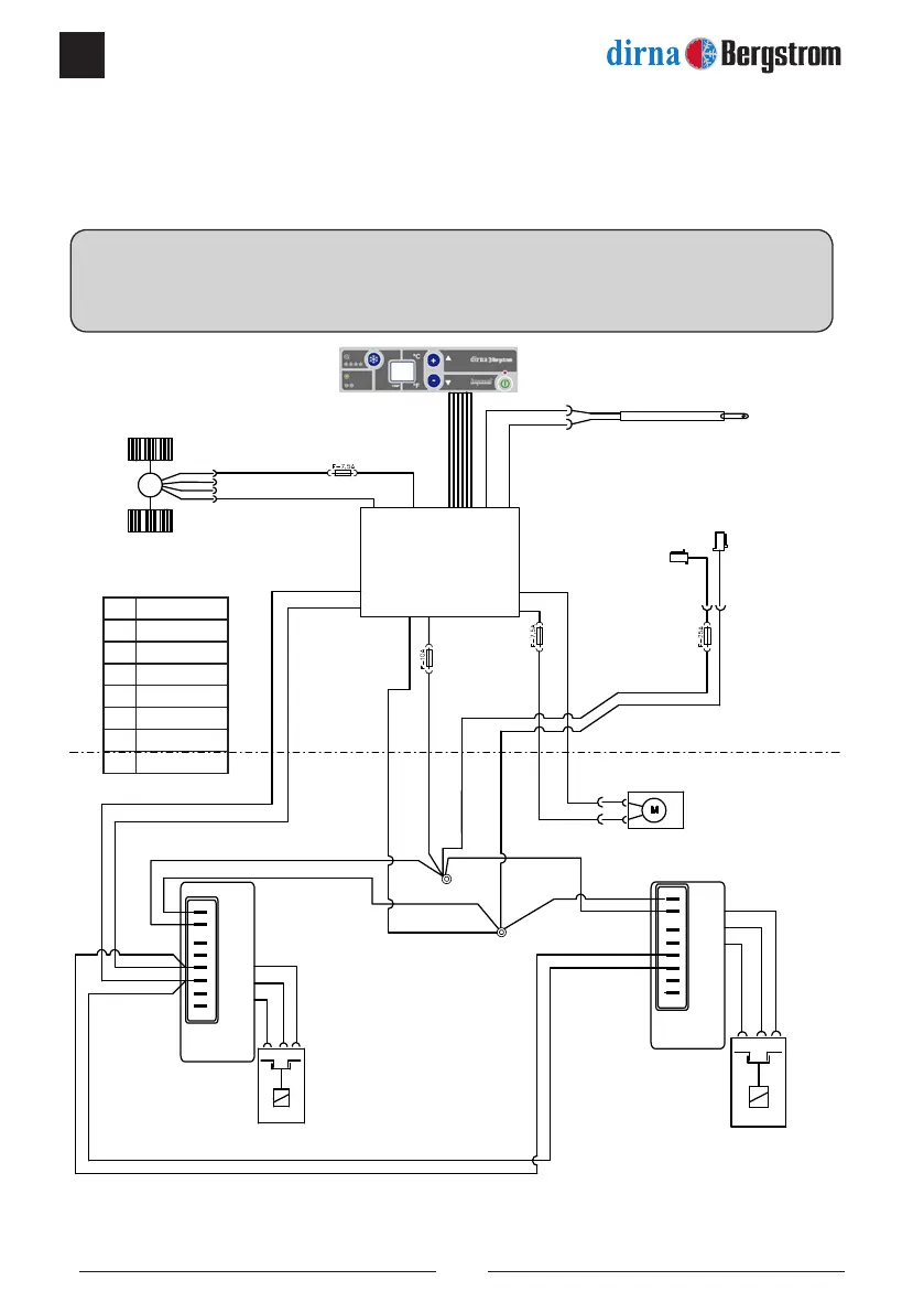
TODOS OS MODELOS EURO 6 SEM DERIVAÇÃO ORIGINAL NA ESCOTILHA
Esquema eléctrico
AVISO IMPORTANTE!
Tenha o cuidado de não inverter as polaridades ao ligar a alimentação no equipamento; o visor não se
liga e o equipamento não funciona.
N
N
N
N
Na
N
B
M
M
R
B
B
M
-
+
+
R
M
F
I
C
P
T
-
+
+
F
I
C
P
T
R
M
NR
NR
R
R
M
R B
N
Az
Na
R
A
N
R B
Az
M
M
B
B
M
M
M
B
M
B
M
Az Azul
N Preto
R Vermelho
V Verde
B Branco
A Amarelo
Na Laranja
M Castanho
Sensor
aire de retorno
Controlo
electrónico
Ventilador
centrífugo
Ventilador do
condensador
Módulo
electrónico do
compressor
Módulo
electrónico do
compressor
Fusível 25A
no conetor
original
Compressor
Compressor
2 Amp.
PWM.
NTC 15KΩ a 25º
Comsuption 30 mAmp.
4 Amp.

Related product manuals