EasyManua.ls Logo

Dirna DINAMIC 1.1 bycool - Electric Wiring; Important Note

Dirna DINAMIC 1.1 bycool
Print Icon
To Next Page IconTo Next Page
To Next Page IconTo Next Page
To Previous Page IconTo Previous Page
To Previous Page IconTo Previous Page
Loading...
33
DINAMIC 1.1
dirna, s.a.
EN
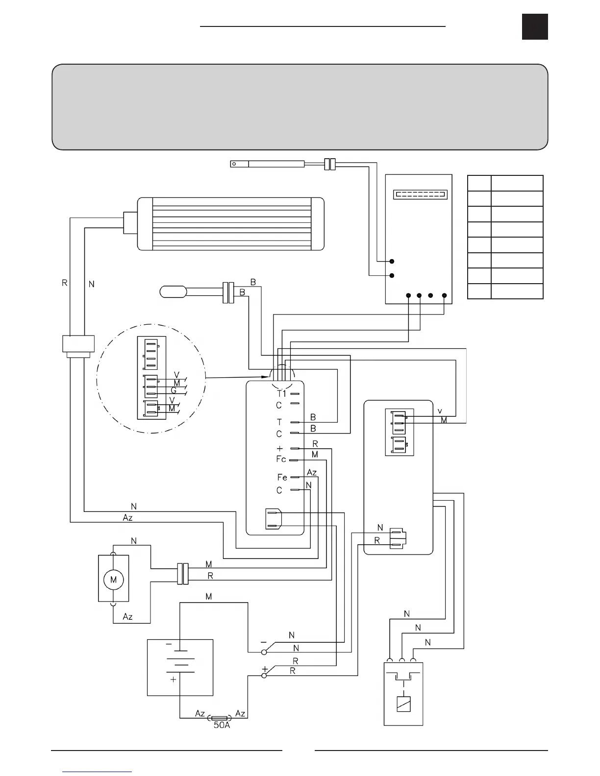
ELECTRIC WIRING
IMPORTANT NOTE!

      
panel

BLOWER
TEMPERATURE
PROBE
ANTIFREEZE PROBE
ELECTRONIC
CONTROL
MODULE
CONTROL
COMPRESSOR
ELECTRONIC
MODULE
FAN
BATTERY
FUSE
COMPRESSOR
Az Blue
N Black
R Red
V Green
B White
A Yellow
Na Orange
M Brown

Related product manuals