EasyManua.ls Logo

Dirna DINAMIC 1.1 bycool - Avvertenza Importante

Dirna DINAMIC 1.1 bycool
Print Icon
To Next Page IconTo Next Page
To Next Page IconTo Next Page
To Previous Page IconTo Previous Page
To Previous Page IconTo Previous Page
Loading...
81
DINAMIC 1.1
dirna, s.a.
IT

AVVERTENZA IMPORTANTE!
Fare attenzione



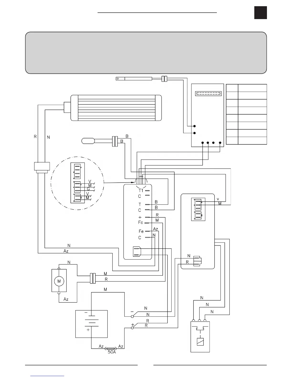
SOFFIATORE
SONDA
TEMPERATURE
SONDA ANTIGELO
CONTROL
ELECTRONICO
MODULO
ELECTRONICO
CONTROLLO
COMPRESSORE
ELETTRODO
BATTERIA
FUSIBLE
COMPRESSORE
Az Blu
N Nero
R Rosso
V Verde
B Bianco
A Giallo
Na Arancione
M Marrone

Related product manuals