EasyManua.ls Logo

Dirna DINAMIC 1.1 bycool - Schéma Électrique; Avis Important

Dirna DINAMIC 1.1 bycool
Print Icon
To Next Page IconTo Next Page
To Next Page IconTo Next Page
To Previous Page IconTo Previous Page
To Previous Page IconTo Previous Page
Loading...
49
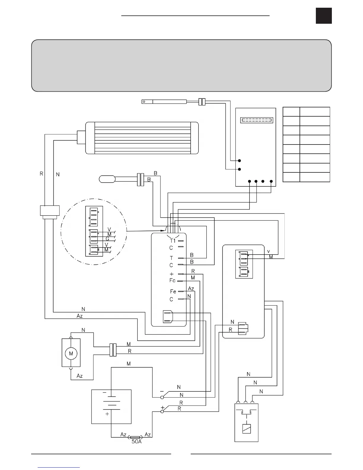
DINAMIC 1.1
dirna, s.a.
FR

AVIS IMPORTANT!
Veiller
-


SOUFFLANTE
SONDE
TEMPÉRATURE
SONDE ANTIGEL
CONTRÔLE
ÉLECTRONIQUE
MODULE
ÉLECTRONIQUE
MODULE
ÉLECTRONIQUE

BATTERIE
FUSIBLE
COMPRESSEUR
Az Bleu
N Noir
R Rouge
V Vert
B Blanc
A Jaune
Na Orange
M Marron

Related product manuals