EasyManua.ls Logo

Dirna DINAMIC 1.1 bycool - Page 65

Dirna DINAMIC 1.1 bycool
Print Icon
To Next Page IconTo Next Page
To Next Page IconTo Next Page
To Previous Page IconTo Previous Page
To Previous Page IconTo Previous Page
Loading...
65
DINAMIC 1.1
dirna, s.a.
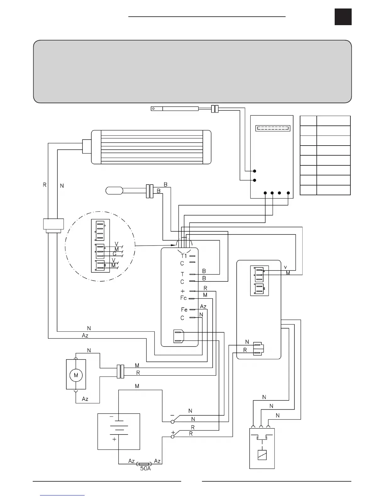
GE
ELEKTRISCHES SCHALTSCHEMA
WICHTIGER HINWEIS!
Darauf achten            




TANGENTIALGEBLÄSE
PRÜTSPITZE
TEMPERATUR
FROSTSCHUTZSONDE
STEUERUNG
ELEKTRONIK MODUL
ELEKTRONIK MODUL
ELEKTRONIK MODUL
ELEKTRO
BATTERIE
SICHERUNG
STEUERUNG
KOMPRESSOR
Az Blau
N Chwarz
R Rot
V Grün
B Weiss
A Gelb
Na Oranbe
M Braun

Related product manuals