EasyManua.ls Logo

Distinction PASRW030 - Page 26

Distinction PASRW030
Print Icon
To Next Page IconTo Next Page
To Next Page IconTo Next Page
To Previous Page IconTo Previous Page
To Previous Page IconTo Previous Page
Loading...
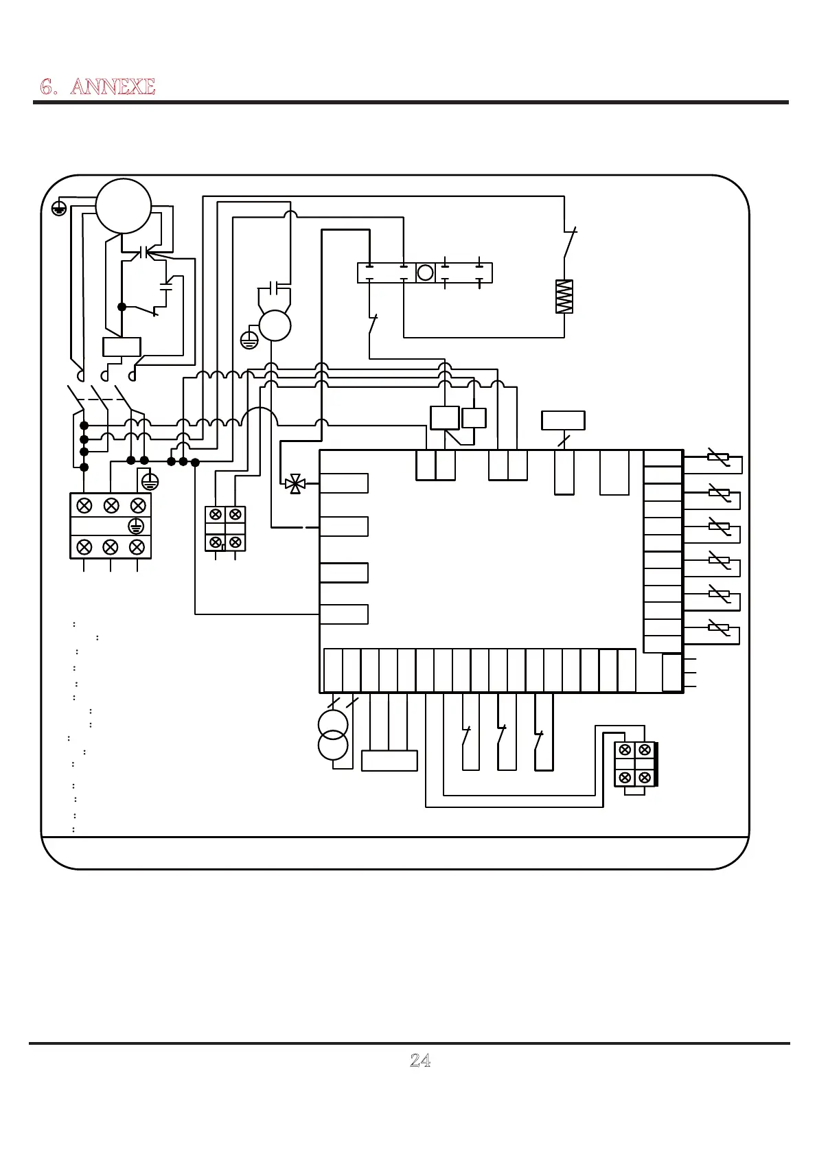
6. ANNEXE
Annexe 6: Schéma électrique de l’appareil
24
Alimentation électrique
208-230V~/60Hz
Contacts secs
4V Vanne 4 voies
AT
Température ambiante
COMP
Compresseur
CT
Température du serpentin
FM
Moteur du ventilateur
IT
LP Protection basse pression
OT
FS Interrupteur à pression
TC
Transformateur
KM1
Contacteur de compresseur
HP11
Protection haute pression (4.0Mpa)
HP12
Protection haute pression (4.4Mpa)
Température de l'entrée d'eau
Température de la sortie d'eau
CH Chauffe-compresseur
KS
Relais du serpentin de démarrage
du compresseur
FM
C3
BLK BLU
RED
L1
L2
BLK WHT
L2
L2
L2
1
3
24
5
6
7
8
01
L2
CC
COMP
CS
2
1
5
KS
C2
KS
CR
BLK
WHT
RED
CS
L2
L1
CC
CS
2
CS
KS
L22
CS
CR
CH
K1
L1
L2
L11
L2
L2
CC
CC
C1
CC
CC
CS
CS
CR
L1 L2
L21
FS
HP11
LP
BLU
Y/G
BRN
PASRW040
TC
12V
34
3
4
REMOTE IN
3
4
FS
FS
LP
LP
t
5K
t
5K
t
5K
t
5K
IT
IT
OT
OT
AT
AT
CT
CT
OUT3
OUT4
OUT5
AC-N
3
4
3
4
CN19
GND
AI05
GND
AI04
GND
AI03
GND
AI02
GND
CN1
CN2
12V
NET
GND
DI01
GND
DI02
GND
DI03
GND
DI04
GND
DI05
GND
AI01
GND
DI06
GND
CN6
AI06
CN16
GND
+5V
OUT1 OUT2
PC1001
RED
22
L1
K1
HP11
HP11
KM1
L22
L22
L22
L22
L1
L1
L2 L2
KM1
L1
4V
4V
L2
L2
L2
L2
L2
t
5K
SUT
SUT
EEV
5
Y/G
Y/G
Y/G
12
1
2
HP12
1
2
K1
L2
L2
K1
t
50K
ET
ET
Controle
^

Related product manuals