EasyManua.ls Logo

DITEC ENTREMATIC SMART RESET - Page 5

DITEC ENTREMATIC SMART RESET
Print Icon
To Next Page IconTo Next Page
To Next Page IconTo Next Page
To Previous Page IconTo Previous Page
To Previous Page IconTo Previous Page
Loading...
5
0'7833 12032012
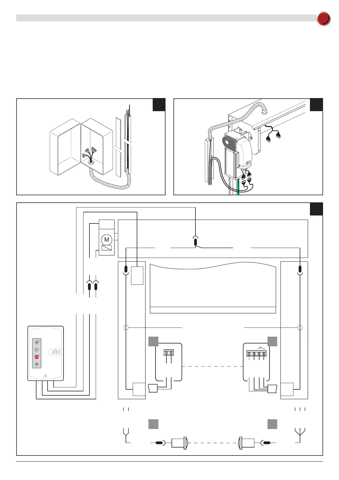
4. COLLEGAMENTI ELETTRICI
4.1 Quadro elettrico
,QVHULUH QHO FRQWHQLWRUH L FDYL FRQ OH PRUVHWWLHUH SUHFDEODWH H FRQQHWWHUOL DOOH VFKHGH ¿J. $OORJJLDUH L FDYL QHOOD FDQDOLQD
H FROOHJDUH L FRQQHWWRUL SUHGLVSRVWL VXO PRWRUH ¿J.
4.2 Collegamenti quadro elettrico / motore / sicurezze
,Q ¿JXUD 12 VRQR PRVWUDWL VFKHPDWLFDPHQWH L FDEODJJL IRUQLWL H LO ORUR SRVL]LRQDPHQWR QHOOD SRUWD RJQL FDEODJJLR q LGHQWL¿FDWR
GD XQ FRGLFH DSSRVWR VX XQD HWLFKHWWD DGHVLYD.
4.3 Fotocellule di sicurezza
(VHJXLUH L FROOHJDPHQWL FRPH LQGLFDWR LQ ¿J.
(VHJXLUH L FROOHJDPHQWL QHO TXDGUR HOHWWURQLFR FRPH LQGLFDWR QHJOL VFKHPL
8457
0 1
0601 1
Tx
7978
81328132
3+ 4000PP $935&
3+ 4000PP $935/
4327
RxTx
Rx
Tx Rx
0 1
7979
7825$
4328
)&
8265$ 8265B
6/(
10
12
1HUR
BOX
1HUR
BOX
$UDQFLR
RRVVR
C C
T T
BOX
0DUURQH
BOX
1HUR
0DUURQH
11
IT

Related product manuals