EasyManua.ls Logo

Dixie Narco 90 Series - Symptom: Product Hot; Possible Cause: Compressor Will Not Run.

Dixie Narco 90 Series
77 pages
Print Icon
To Next Page IconTo Next Page
To Next Page IconTo Next Page
To Previous Page IconTo Previous Page
To Previous Page IconTo Previous Page
Loading...
Page 69 of 72
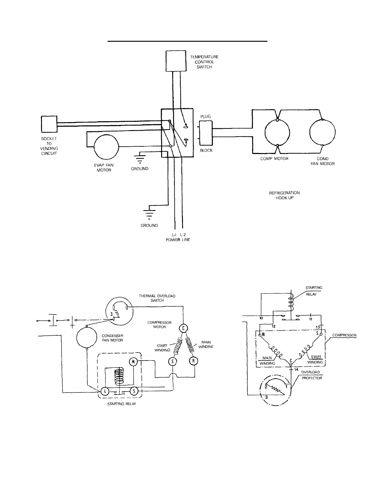
REFRIGERATION CIRCUIT DIAGRAMS
Tecumseh
Embraco

Other manuals for Dixie Narco 90 Series

Related product manuals