EasyManua.ls Logo

Dometic 3000 - Page 16

Dometic 3000
24 pages
Print Icon
To Next Page IconTo Next Page
To Next Page IconTo Next Page
To Previous Page IconTo Previous Page
To Previous Page IconTo Previous Page
Loading...
16
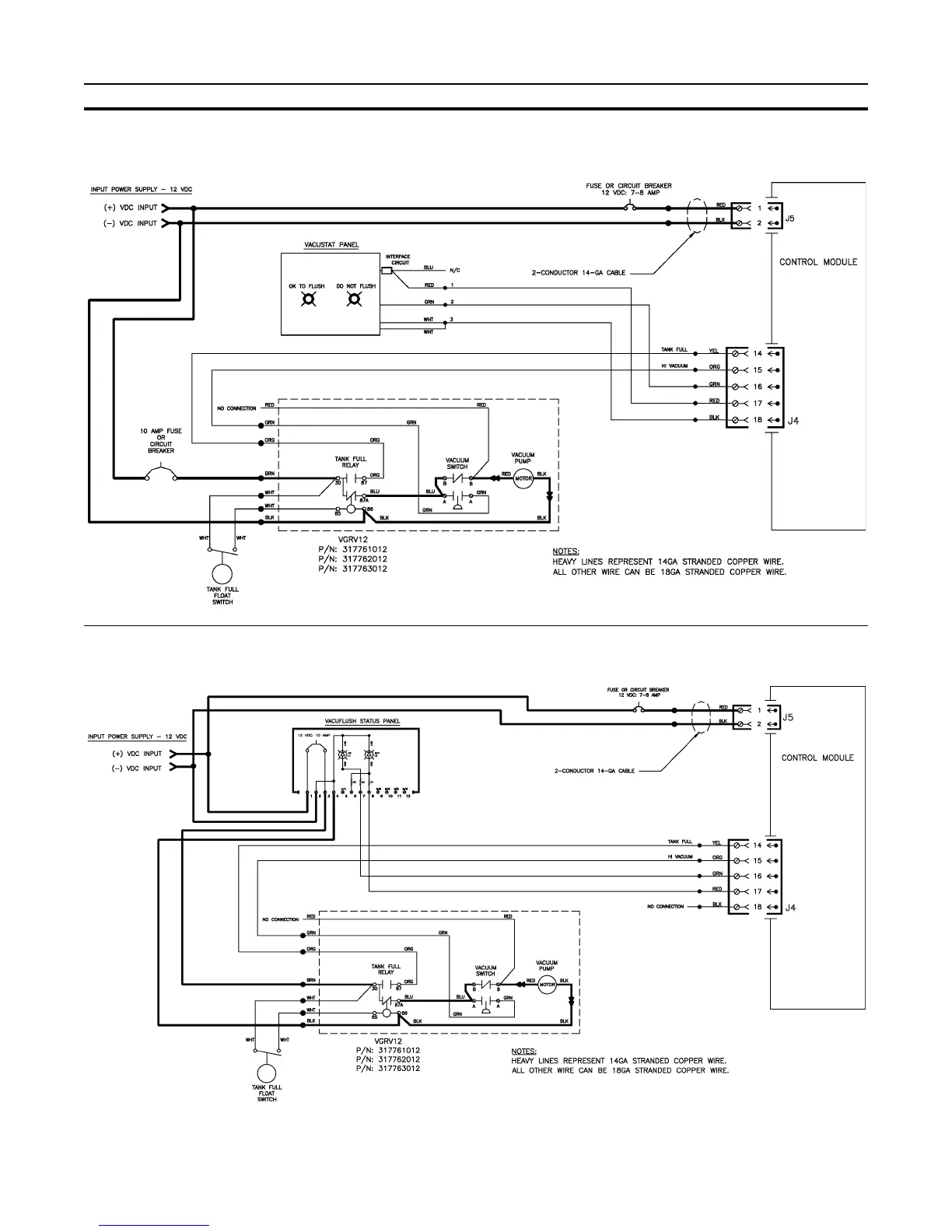
RV WIRING DIAGRAMS (cont’d)
RV VACUFLUSH STATUS PANEL OPTION
RV VACUSTAT PANEL OPTION

Related product manuals