EasyManua.ls Logo

Dometic 3000 - Page 18

Dometic 3000
24 pages
Print Icon
To Next Page IconTo Next Page
To Next Page IconTo Next Page
To Previous Page IconTo Previous Page
To Previous Page IconTo Previous Page
Loading...
18
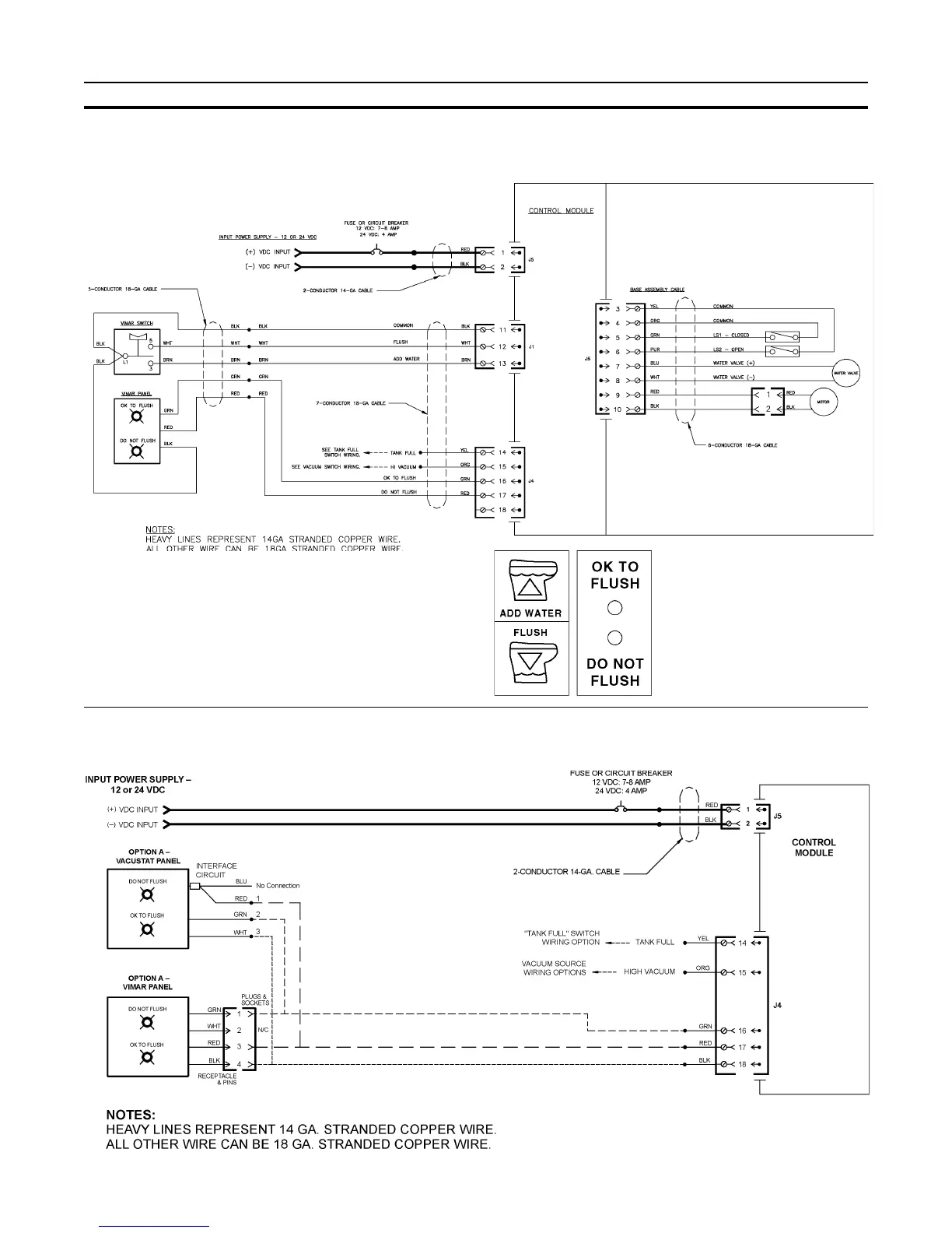
MARINE WIRING DIAGRAMS (cont’d)
MARINE VACUSTAT PANEL OPTION
VIMAR FLUSH SWITCH OPTION
VIMAR FLUSH SWITCH OPTION
(3100, 3400 marine toilets)

Related product manuals