EasyManua.ls Logo

Dometic RH341LD - Wiring Diagrams - High Capacity Models; Wiring for 55;56 L Capacity Models

Dometic RH341LD
36 pages
Print Icon
To Next Page IconTo Next Page
To Next Page IconTo Next Page
To Previous Page IconTo Previous Page
To Previous Page IconTo Previous Page
Loading...
26
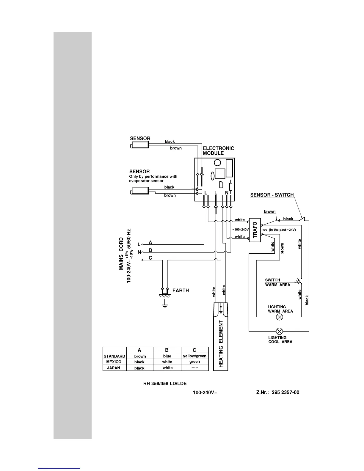
17.3 Refrigerators with 55l/56l Capacity
RH356LD, RH356LDE, RH456LD, RH456LDE

Related product manuals