EasyManua.ls Logo

Dometic RH341LD - HiPro Wiring Diagram and Electronics; HiPro System Wiring Diagram

Dometic RH341LD
36 pages
Print Icon
To Next Page IconTo Next Page
To Next Page IconTo Next Page
To Previous Page IconTo Previous Page
To Previous Page IconTo Previous Page
Loading...
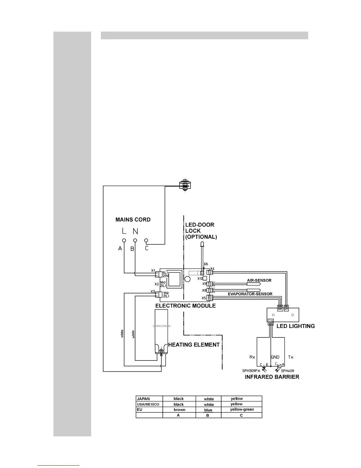
Wiring Diagram/ Occupancy electronics
33
Model HiPro 6000 with cooling unit cover + feet
Casing Plastic
Gross Volume ( litres) 51
cooled / uncooled 51 / -
Dimensions (mm)
(H x W xD) 568 x 490 x 474,5 610 x 490 x 494,6
Electrical Rating (W) 80
Power Consumption
kWh / 24h* 0,9
Net Weight (kg) 17 18
Assembly x
freestanding xx
* Power consumption measured at an average ambient temperature of 25°C as an average
annual value and at a cooling compartment temperature of 7°C according to EN 153.
We reserve the right to make technical changes and modifications without notice!
29.0
Connections electronics:
X1 Main Voltage (110V oder 230V
X2 -
X3 Heating shell
X4 Interior light
X5 Infrared senors (reflecting light barrier)
X6 RedDot LED
X7 Potentiometer (not used in HiPro)
X8 Evaporator Sensor
X9 Air Sensor
X10 Serial interface
X11 -
X12 Automatic Door Control

Related product manuals