EasyManua.ls Logo

Doosan 7/72 - Page 60

Doosan 7/72
80 pages
Print Icon
To Next Page IconTo Next Page
To Next Page IconTo Next Page
To Previous Page IconTo Previous Page
To Previous Page IconTo Previous Page
Loading...
OPTIONS
56
7/72
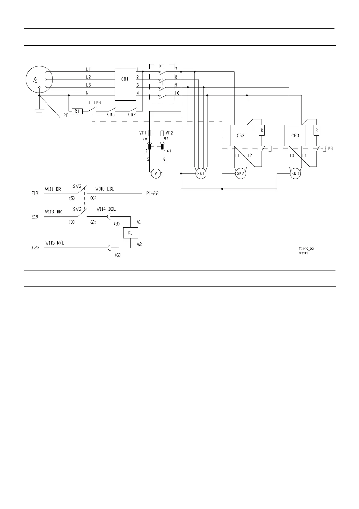
A.C. Electrical Power Schematic Diagram. 400/230V 3 -- phase.
KEY
CB1 Circuit breaker
16A
CB2 Circuit breaker
10A
CB3 Circuit breaker
10A
G Alternator
K1 Contactor
PB Pushbutton
PE Protective earth conductor
R Resistor
R1 Resistor
SK1 Socket outlet 16A
SK2 Socket outlet 16A
SK3 Socket outlet 16A
SV3 Switch, generator
V Voltmeter
VF1 Fuse
Voltmeter
VF2 Fuse
Voltmeter

Related product manuals