EasyManua.ls Logo

Doosan D1146 - Accessory input; Accessory supply; Wide range remote variable speed operation

Doosan D1146
179 pages
Print Icon
To Next Page IconTo Next Page
To Next Page IconTo Next Page
To Previous Page IconTo Previous Page
To Previous Page IconTo Previous Page
Loading...
- 142 -
154
9.5
6.25
15
13915
123456
ABCD EFG HJKL MN P
789
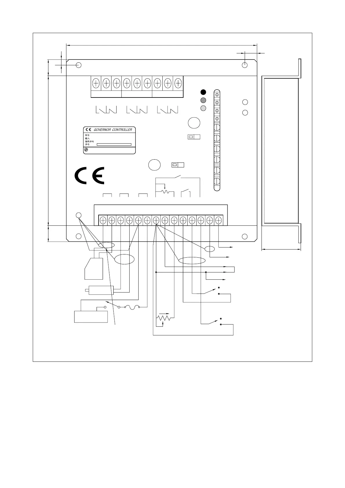
: DWC-2000
: DC24V
: 65.11220-7006
:
826-1 Kuro 3-Dong, Duro-Gu Seoul 152-053 KOREA(DONG-IL TECKNO-TOWN)
Overspeed
ACTUATOR
Magnetic
Pick up
BATTERY
OPTIONAL ACTUATOR
CABLE SHIELDING TO
MEET CE DIRECTIVE
ADD JUMPER FOR 12V
BATTERY OR ACTUATOR
CURRENTS ABOVE 5A
AUX.
10V POWER
FUSE
15A MAX
SPEED TRIM
CONTROL-5K
CLOSE FOR IDLE
CLOSE FOR DROOP
Run Crank
Reset
Starting
Fuel
Speed
Ramping
Run
Crank
Speed
Gain
Stability
Idle
Droop
Test
ON OFF
ON
Autuator Pic-up Battery
Idle
Speed Trim
Droop
OFF
GHANA CONTROL
MADE IN KOREA
D1
D2
- +
AUX 10V
32
CW
GND
EC8OM008
Diagram 1. DWC-2000 Wiring and Outline

Related product manuals