EasyManua.ls Logo

Doosan DL06 - Page 184

Doosan DL06
211 pages
Print Icon
To Next Page IconTo Next Page
To Next Page IconTo Next Page
To Previous Page IconTo Previous Page
To Previous Page IconTo Previous Page
Loading...
DL06K Interim Tire-4 Diesel Engine Maintenance of Major Components
182
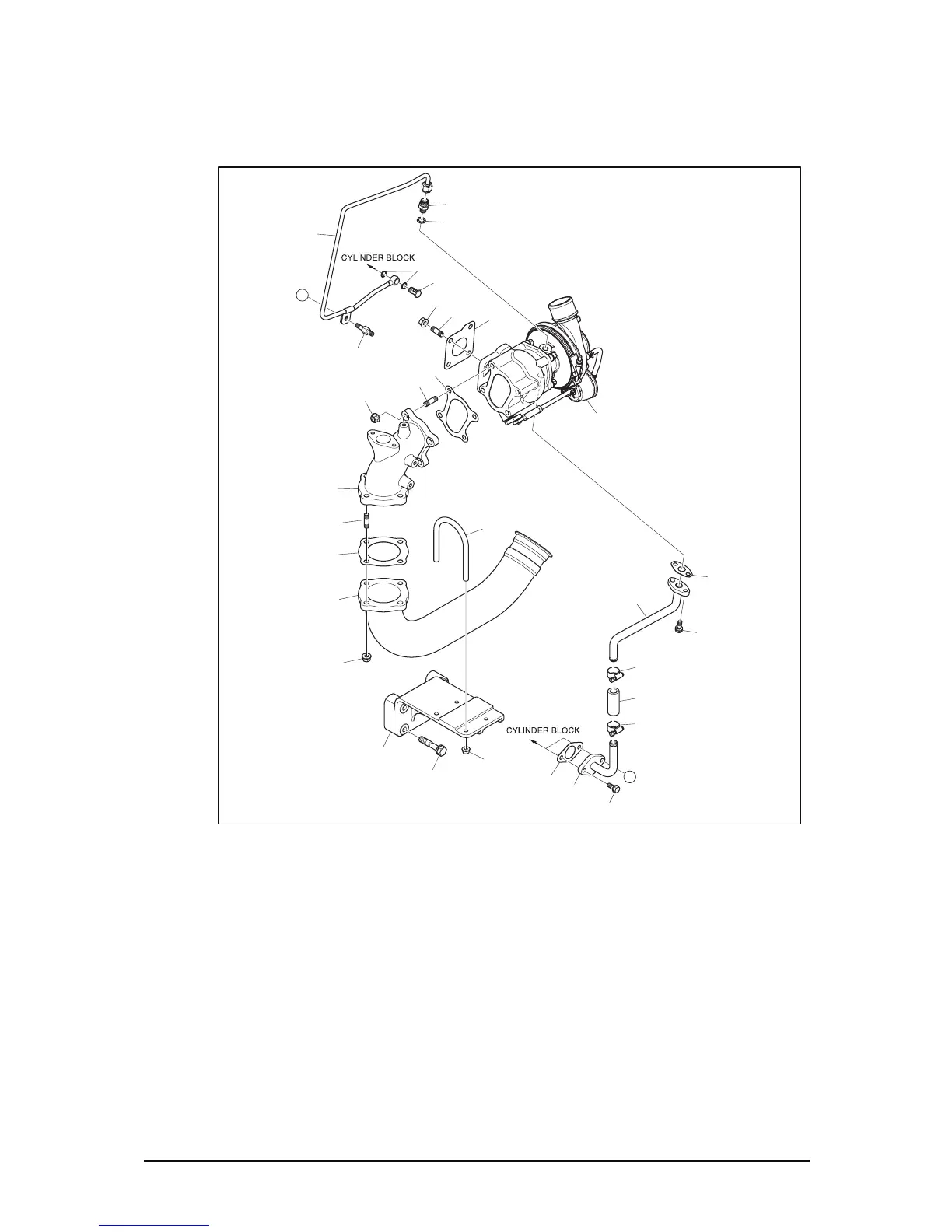
3) Components of turbocharger
4 Bearing housing 32 O - ring 67 Hex bolt
5 Turbine housing 33 Oil baffle 74 Actuator ass’y
6 Turbine wheel ass’y 34 Inlet baffle 75 Hose clamp
7 Compressor wheel 36 Thrust collar 77 Actuator clip
8 Compressor housing 38
Heat protector cover
80 Cover plate
11 Journal bearing 43 Oil seal plate 81 Hose
12 Thrust bearing 46 Gasket 82 Elbow
13 Piston ring seal (turbine) 57 Hex bolt 83 Hex nut
16 Piston ring seal 61 Lock nut 88 Clamp plate
22 Retaining ring 64 Snap ring 91 Retaining ring
31 Oil stopper
5
4
6
1
18
3
9
10
21
2
21
22
25
23
26
27
30
31
29
28
16
12
17
14
13
14
17
15
11
A
25
21
A
EK4OM031