EasyManua.ls Logo

Doosan DL06 - Page 211

Doosan DL06
211 pages
Print Icon
To Previous Page IconTo Previous Page
To Previous Page IconTo Previous Page
Loading...
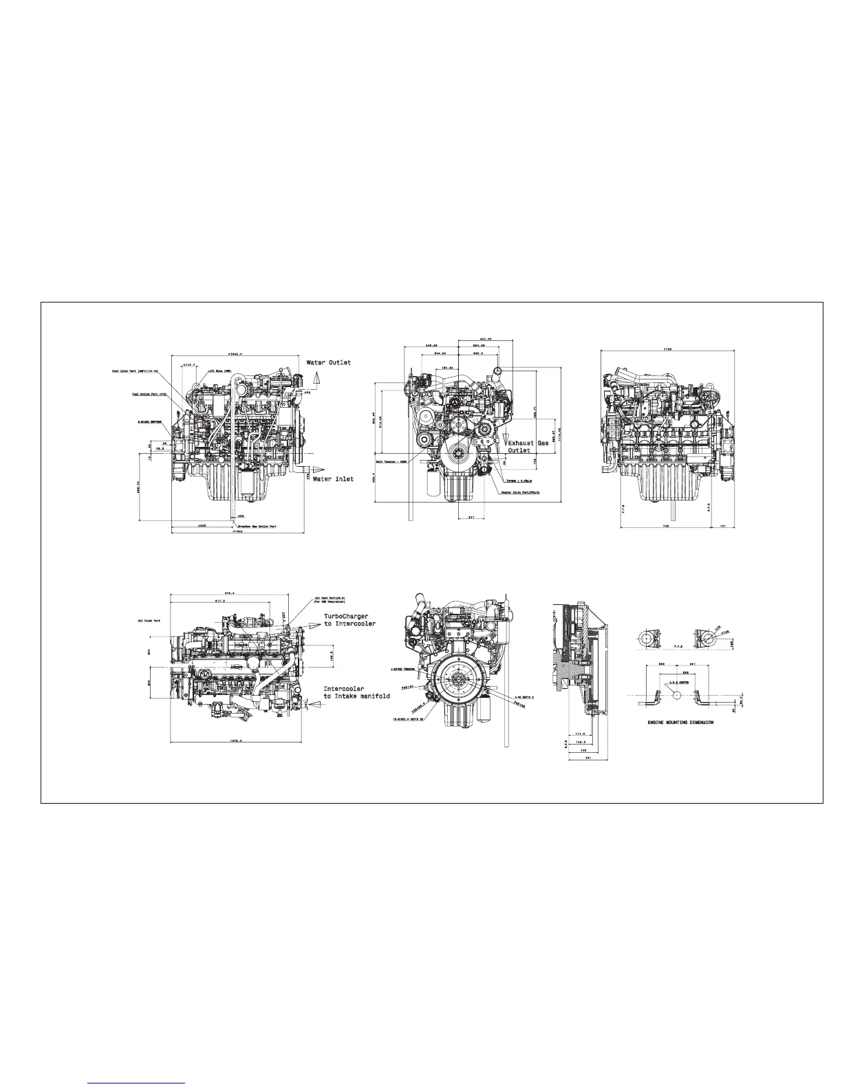
Engine assembly DL06K