EasyManua.ls Logo

Doyon JA8 - Page 50

Doyon JA8
53 pages
Print Icon
To Next Page IconTo Next Page
To Next Page IconTo Next Page
To Previous Page IconTo Previous Page
To Previous Page IconTo Previous Page
Loading...
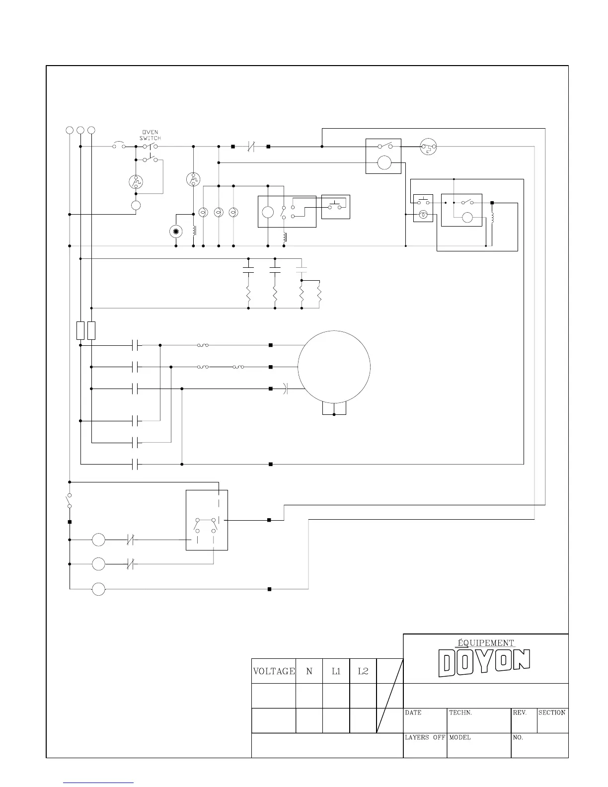
G4
5 A.
(ALARM)
140°
LIMIT
HIGH
BUZZER
110°
LIMIT
HIGH
P.L.
FAN
COOLING
ST
VL
15
A1
A2
18
B1
TV
STEAM
SWITCH
VALVE
OVEN
MODE E
N1
BUZZER
VA
500° F
LIMIT
HIGH
8
10
7
9
43
1
2
AR
AV
A2
A1
A2
A1
AR
AV
ST
C1
C1
A2
A1
C1
EACH
ELEMENTS
2.5 KW
VA
OL1
L2L1N
OL1
95 96
BULB
F2F1
AV
AR
L2 T2
L1 T1
L3 T3
L2 T2
L1 T1
L1 T1
L2 T2
L3 T3
ELECTRONIC
TIMER
COOKING
SWITCH
COOKING TIMER
H5CX (MODE A−1)
M
1
4
6
8
7
2
STEAM TIMER H3DE
THERMOSTAT
3/4HP
MOTOR
DOOR
SWITCH
C1
L3 T3
T5
T4
T1
T3
T2 T8
C
120 / 240 2.0A 45.0A 44.0A
JA8SC 1 PHASE 60 Hz
23/08/04 M. FAUCHER 1
5
STANDARD
JA8SC_1
1 / 1
120 / 208 2.0A 51.0A 49.0A
TOTAL POWER: 10.7 Kw 60 Hz

Related product manuals