EasyManua.ls Logo

DR 16.5 - Page 43

DR 16.5
56 pages
Print Icon
To Next Page IconTo Next Page
To Next Page IconTo Next Page
To Previous Page IconTo Previous Page
To Previous Page IconTo Previous Page
Loading...
CONTACT US AT www.DRpower.com 43
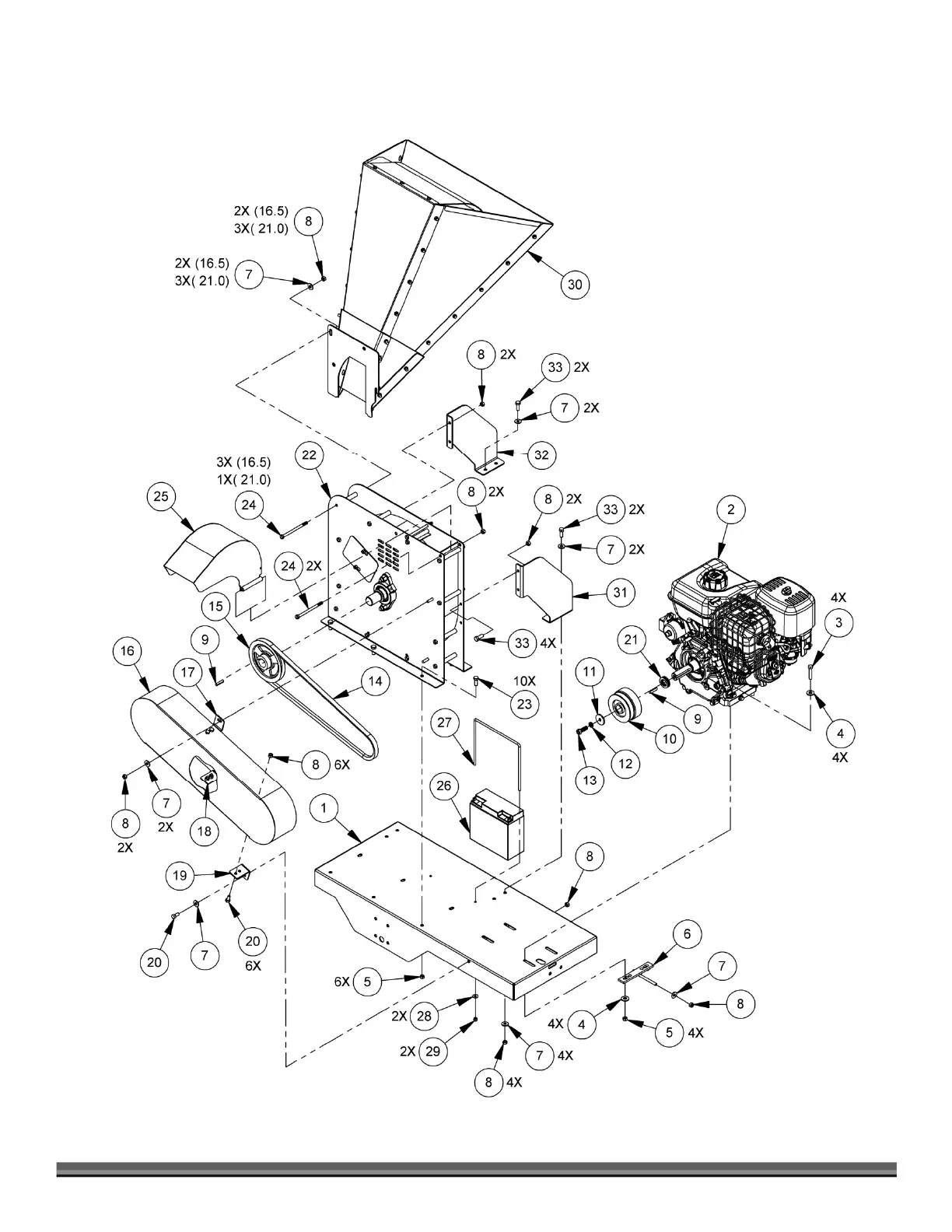
Schematic – Drive Assembly

Related product manuals