EasyManua.ls Logo

DR PRO XL520 - Page 37

DR PRO XL520
40 pages
Print Icon
To Next Page IconTo Next Page
To Next Page IconTo Next Page
To Previous Page IconTo Previous Page
To Previous Page IconTo Previous Page
Loading...
CONTACT US AT www.DRpower.com 37
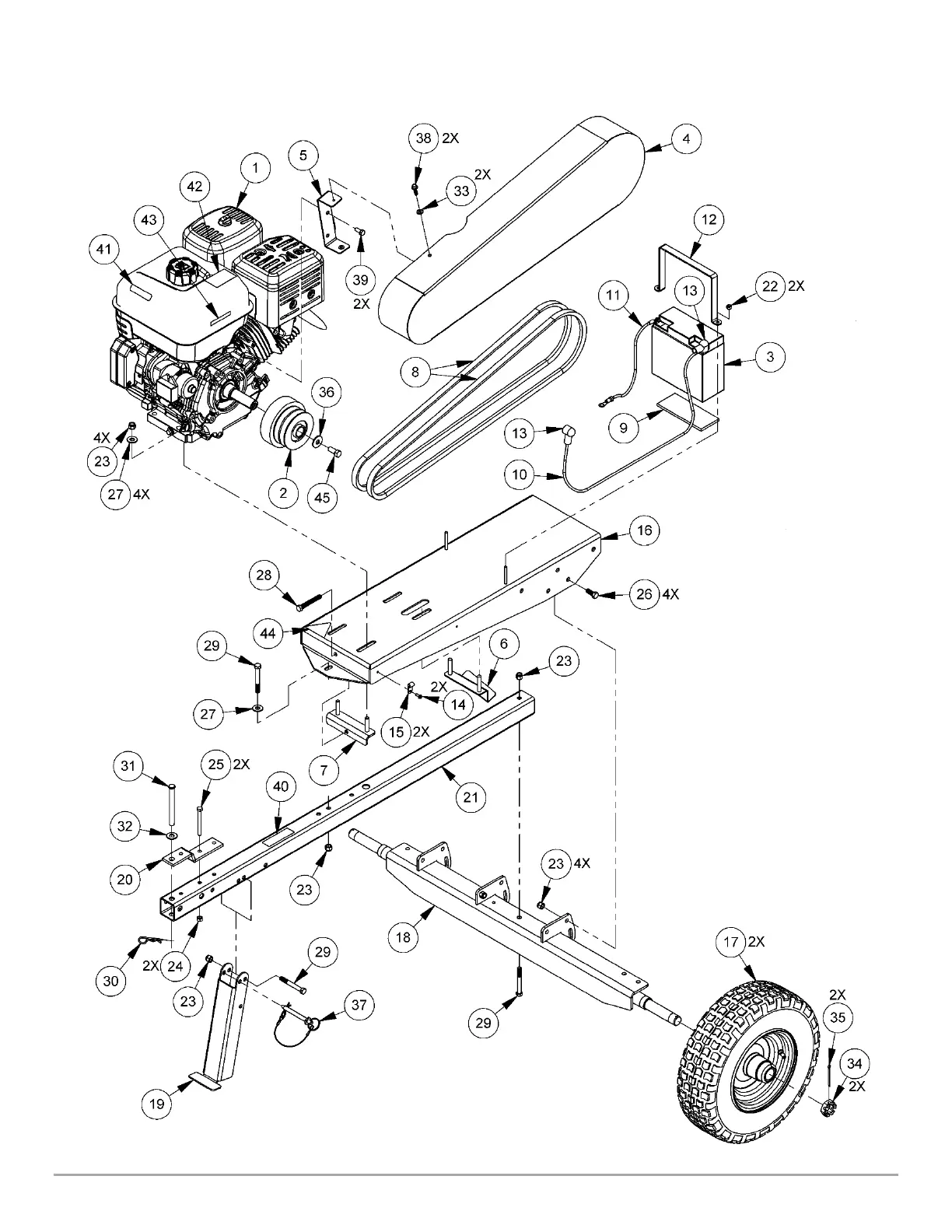
Schematic – Frame and Drive assembly

Related product manuals