EasyManua.ls Logo

DR XD30 - Page 41

DR XD30
44 pages
Print Icon
To Next Page IconTo Next Page
To Next Page IconTo Next Page
To Previous Page IconTo Previous Page
To Previous Page IconTo Previous Page
Loading...
CONTACT US AT www.DRpower.com 41
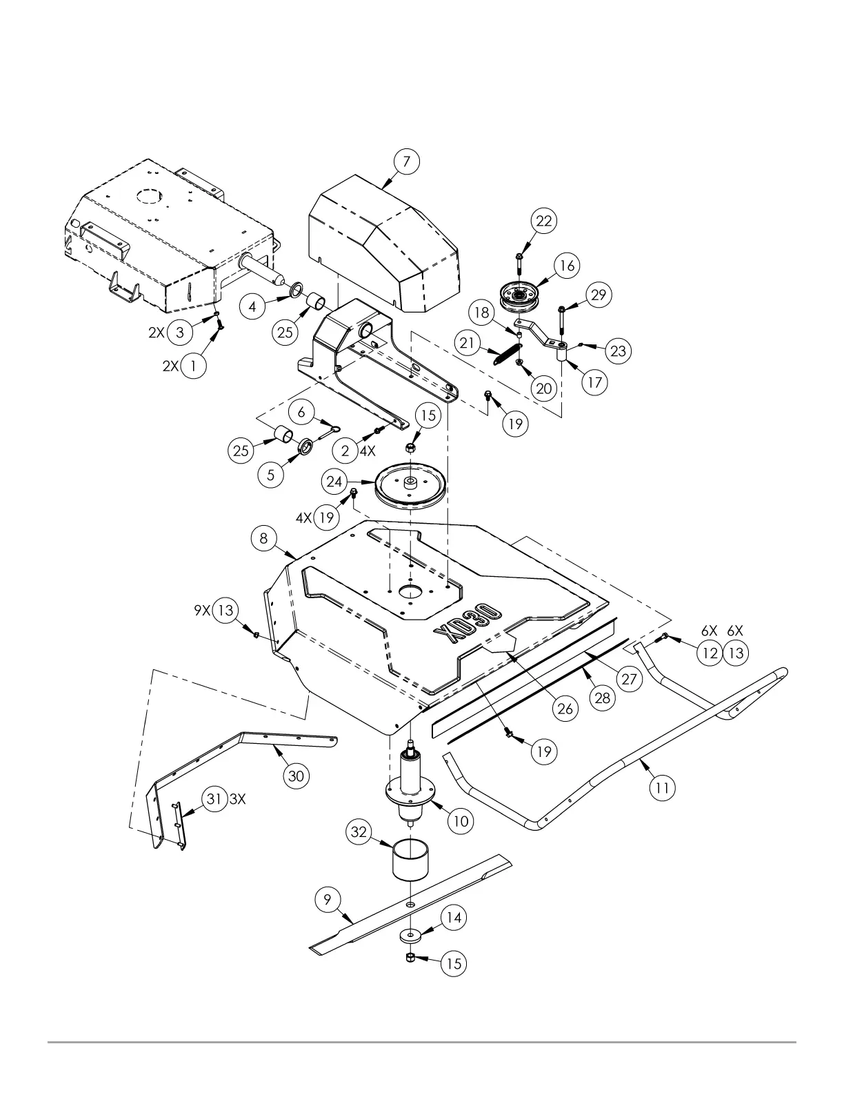
Schematic Brush Deck Assembly

Related product manuals