EasyManua.ls Logo

Dual 721 - Motor Drive Circuit Diagrams; Motor Drive Circuit

Dual 721
25 pages
Print Icon
To Next Page IconTo Next Page
To Next Page IconTo Next Page
To Previous Page IconTo Previous Page
To Previous Page IconTo Previous Page
Loading...
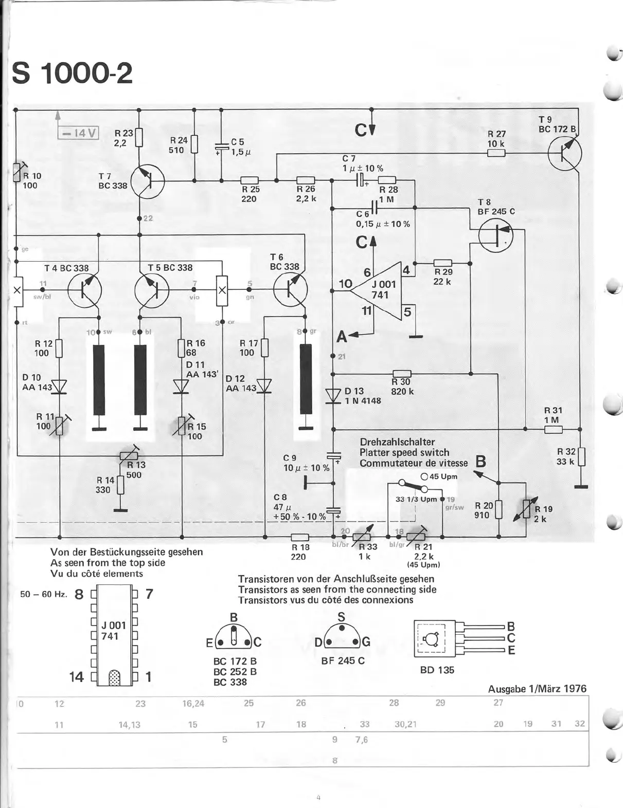
S
1000-2
BC
338
T
4
BC
338
1
T
5
BC
338
D
10
AA
143Z
C
5
c
+
=I
1,5i
R16
68
D
11
AA
143'
Von
der
Bestückungsseite
gesehen
As
seen
frorn
the
top
side
Vu
du
cöta
elements
50
60
Hz.
8
14
0
1
2
7
1
R25
R26
220
2,2
k
BC
338
c;
C7
1
µ
±
10%
R
28
1
1
M
6-11
0,15
bt
±
10%
10
A
6
J
001
741
11
4
R29
22
k
R
30
77
013
820k
1
N
4148
C9
10/1
±
10%
1
C8
47/1
+
50
%
-
10
R
27
10
k
T8
BF
245
C
T9
BC
172
B
R
31
1
M
Drehzahlschalter
Platter
speed
switch
1
Commutateur
de
vitesse
0
45
Upm
331/3
Upm
R20
910
R18
'R33 'R21
220
1k
2,2k
(45
Upm)
Transistoren
von
der
Anschlußseite
gesehen
Transistors
as
seen
from
the
connecting
side
Transistors
vus
du
cötä
des
connexions
E
C
D(4
,
ib)G
BC
172
B
BF
245
C
BC
252
B
BC
338
1
1-r
a
BD
135
B
C
E
R
32
33
k
Ausgabe
1/März
1976
23
16,24
25
26
28
27
14,13
15
17
18
33
30,21
20
19
31
32
5
9
7,6
8
4

Other manuals for Dual 721

Related product manuals