EasyManua.ls Logo

Ducar DT36V - Pre-Operation Check

Ducar DT36V
26 pages
Print Icon
To Next Page IconTo Next Page
To Next Page IconTo Next Page
To Previous Page IconTo Previous Page
To Previous Page IconTo Previous Page
Loading...
12
5. PreoperationCheck
Pleaseattentiontocheckallthecomponentsaregoodandcontrolsarefunctionalbeforeeachuse.
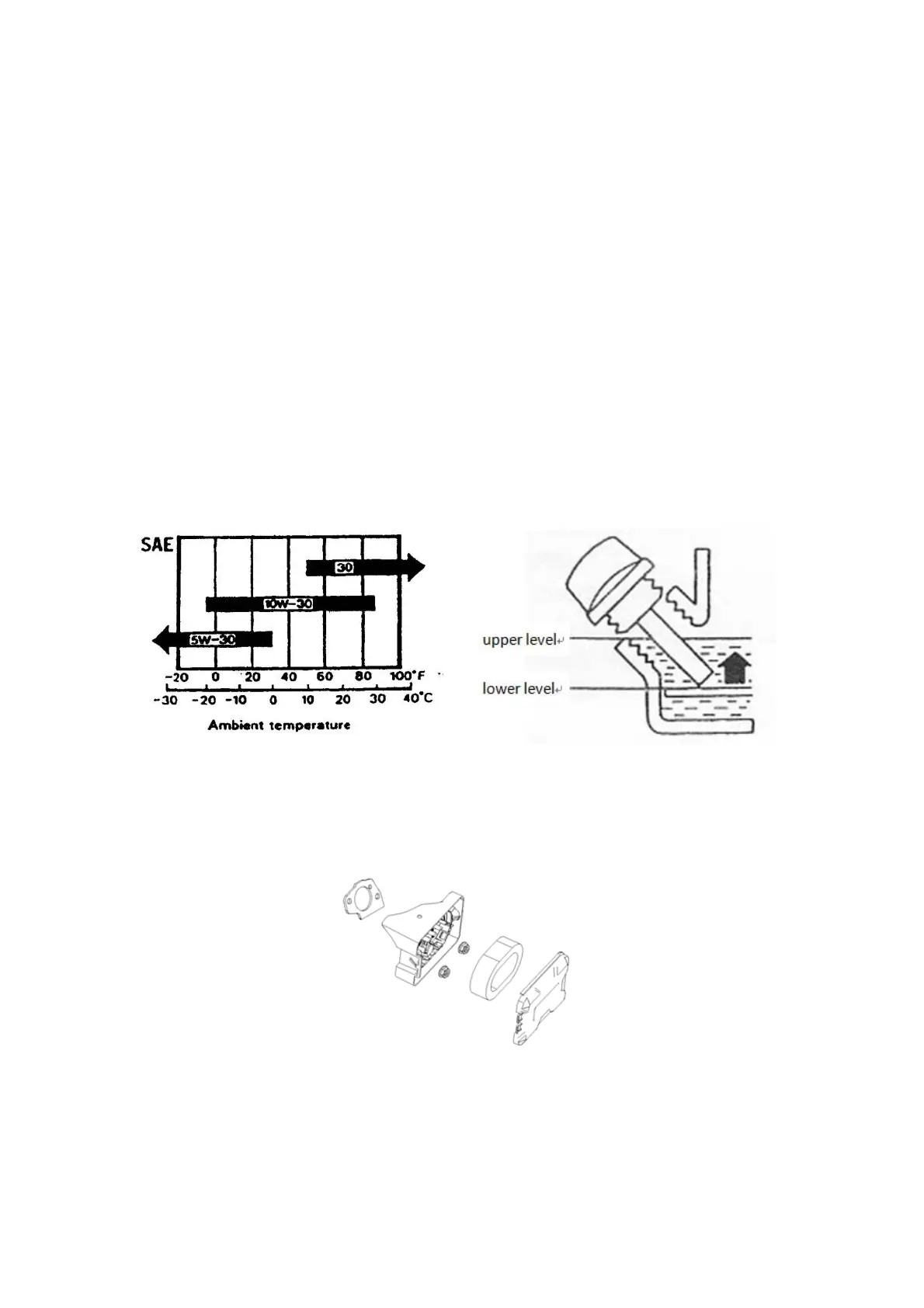
5.1. Engineoil
CAUTION:Runningtheenginewithlowoillevelwillcauseseriousenginedamage.
1) Wipethedipstickup.
2) Putthedipstickintotheoilfillerneck,andscrewitin.
3) Ifthelevelislow,filltherecommendedoiltothemiddleoftheoildipstick.
Use highdetergent,pr
emiumquality 4stroke engine oil, certified to meet or exceed U.S. automobilemanufacturers
requirementforAPIServiceClassificationSG,SF.
CAUTION:Usingnondetergentoilor2strokeengineoilcouldshortentheengine’sservicelife.
SAE10w30isrecommendedforgeneral,alltemperatureuse.Otherviscositiesshowninthefollowingchartmightbe
usedwhentheaveragetemperatureinyourareaiswithintheindicatedrange.
5.2. Airfilter
Checkairfilterfordirtorobstructionofelements
5.3. Fuel
Useautomotivegasoline(Unleadedorlowleadedispreferredtominimizecombustionchamberdeposits.)