EasyManua.ls Logo

Duluth Forge FDF300R - Page 27

Duluth Forge FDF300R
36 pages
Print Icon
To Next Page IconTo Next Page
To Next Page IconTo Next Page
To Previous Page IconTo Previous Page
To Previous Page IconTo Previous Page
Loading...
www.factorybuysdirect.com
27200253-01D
Gas Inlet / Gas esté
INLET GAS PRESSURE MAX 1/2 PSIG (3.5 KPa)
200110-01B
03/15
WARNING: Make sure Regulator Cap is in the appropriate position
as shown in diagrams. Installation and service should be done by
qualified service technician only.
Natural Gas
When using natural gas:
Make sure the cap is installed in the propane/LP inlet of regulator.
Use thread sealant to assure there are no leaks.
Propane/LP Gas
When using propane/LP gas:
Make sure the cap is installed in the natural gas (NG) inlet of regulator.
Use thread sealant to assure there are no leaks.
ADVERTENCIA: Asegúrese la tapa del regulador esté en la posición adecuada,
como se muestra en los diagramas. La instalación y reparaciones deben ser realizadas
por un técnico de servicio calificado solamente.
Gas Natural
Cuando se utiliza gas natural:
Asegúrese de que la tapa está instalado en el propano/LP entrada del regulador.
Utilice sellador de roscas para asegurar que no haya fugas.
Propano/LP Gas
Cuando se utiliza el gas propano / LP:
Asegúrese de que la tapa está instalado en la entrada de gas natural (GN) del regulador.
Utilice sellador de roscas para asegurar que no haya fugas.
Correct Pilot Flame Pattern
Incorrect Pilot Flame Pattern
NG
3-3.5" WC
Natural Gas
Shown
LP
8-11" WC
NG
3-3.5" WC
Natural Gas
Shown
LP
8-11" WC
1/2 Glas
s
Height
1/2 Glas
s
Height
Yellow
Tipping
Correct Burner Flame Pattern
Incorrect Burner Flame Pattern
LP
Blue Plunger
INSTALL SUPPLIED CAP IN FITTING
NOT BEING USED.
INSTALAR TAPA SUMINISTRADA MONTAJE NO SE UTILIZA.
NG
Yellow Plunger
This appliance may be installed in an aftermarket,*
permanently located, manufactured (mobile) home, where
not prohibited by local codes.
This appliance is only for use with propane or natural gas.
Field conversion by any other means including the use of
a kit is not permitted.
WARNING: Make sure the supplied cap is
installed in unused regulator fitting before
connecting the correct gas supply line.
WARNING: Do not use natural gas and
propane gas together.
CAUTION: Two gas line installations at
the same time are prohibited.
ADVERTENCIA: Asegúrese de que la línea
no utilizado se conecta por primera vez
antes de conectar la línea de suministro
de gas correcta.
ADVERTENCIA: No utilice el gas natural y
el gas propano juntos.
PRECAUCIÓN: Dos instalaciones de
líneas de gas al mismo tiempo están
prohibidos.
FOR PROPANE GAS SUPPLY
PARA LA FUENTE DE GAS DEL PROPANE
CAUTION: The heater requires an external regulator to reduce
the LP tank pressure to a maximum of 14" W.C. Never connect
this product directly to the supply tank.
PRECAUCIÓN: El calentador requieres una externa regulador
para reducir la presión del tanque de gas a un máximo de 14"
W.C. Nunca conecte este producto directamente al tanque de
suministro.
FOR NATURAL GAS SUPPLY
PARA LA FUENTE DE GAS DEL NATURAL
NOTICE: An additional gas regulator will be necessary if the
local natural gas pressure exceeds the heater's rated maximum
inlet pressure. If in doubt, contact the local gas utility. If natural
gas inlet pressure exceeds 10" W.C., the safety pressure switch
will activate. See owners manual for proper procedure to bypass
the pressure switch.
AVISO: Un regulador de gas adicional será necesario si la
presión del gas natural local excede de entrada nominal máxima
del calentador presión. En caso de duda, póngase en contacto
con la compañía de gas local. Si la presión de entrada de gas
natural supera los 10" WC, el interruptor de presión de
seguridad se activará. Consulte el manual del propietario para el
procedimiento adecuado de derivación el interruptor de presión.
Procom Heating, Inc. U.S. Patent Information
This product may be covered by one or more of the following
United States patents:
8,915,239 8,851,065 8,764,436 8,757,202 8,757,139 8,752,541
8,568,136 8,545,216 8,517,718 8,516,878 8,506,290 8,465,277
8,317,511 8,297,968 8,281,781 8,241,034 8,235,708 8,152,515
8,011,920 7,967,006 7,967,007 7,654,820 7,730,765 7,677,236
7,607,426 7,434,447
Other patents pending.
TOLL-FREE Customer Care Number: 1-866-573-0674
Numero de Atención al Cliente GRATUITO: 1-866-573-0674
Visit our website for more information www.usaprocom.com
Visite nuestra página web para más informacion www.usaprocom.com
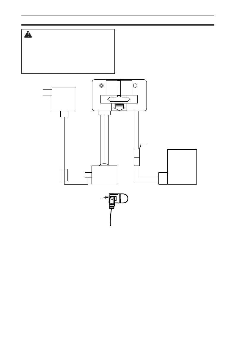
WARNING: Never attempt to
service stove while it is plugged
in, operating, or hot. Burns and
electrical shock could result.
Only a qualied service person
should service or repair stove.
ELECTRICAL
DC 6V 1.5A
Adaptor
120V 60Hz
Power
Change
Assembly
Reciever
(4 AA Batteries Required)
Valve
Red
Red
Yellow
Black
Black
Red
Black
Pin and Socket Connector
LEARN
REMOTE OFF
ON
Power Change
Assembly
Power Change
Assembly
Verify proper operation after servicing. If any
of the original wire as supplied with the stove
must be replaced, it must be replaced with a
wire of at least a 105º C temperature rating.

Related product manuals