EasyManua.ls Logo

DUROMAX XP10000EH - Page 74

DUROMAX XP10000EH
82 pages
Print Icon
To Next Page IconTo Next Page
To Next Page IconTo Next Page
To Previous Page IconTo Previous Page
To Previous Page IconTo Previous Page
Loading...
M
74
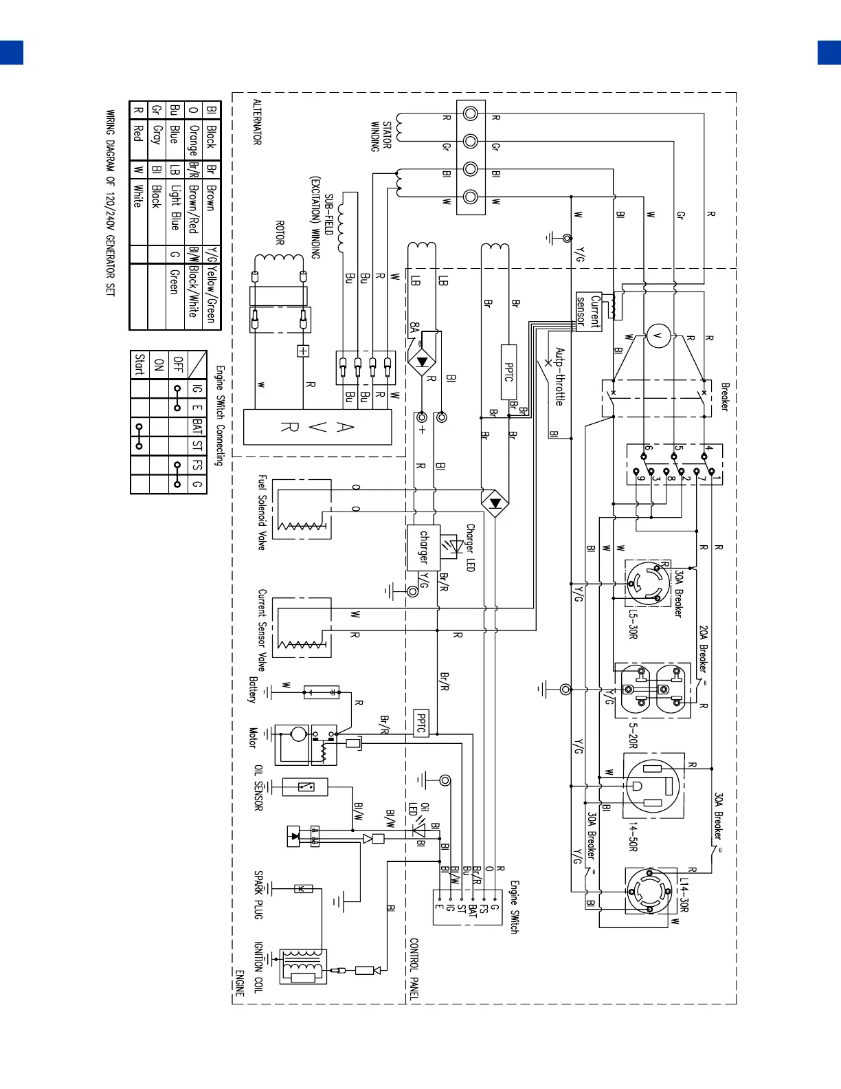
WIRING DIAGRAM

Other manuals for DUROMAX XP10000EH

Related product manuals