EasyManua.ls Logo

DUROMAX XP2000EH - Wiring - With Parallel Receptacle

DUROMAX XP2000EH
28 pages
Print Icon
To Next Page IconTo Next Page
To Next Page IconTo Next Page
To Previous Page IconTo Previous Page
To Previous Page IconTo Previous Page
Loading...
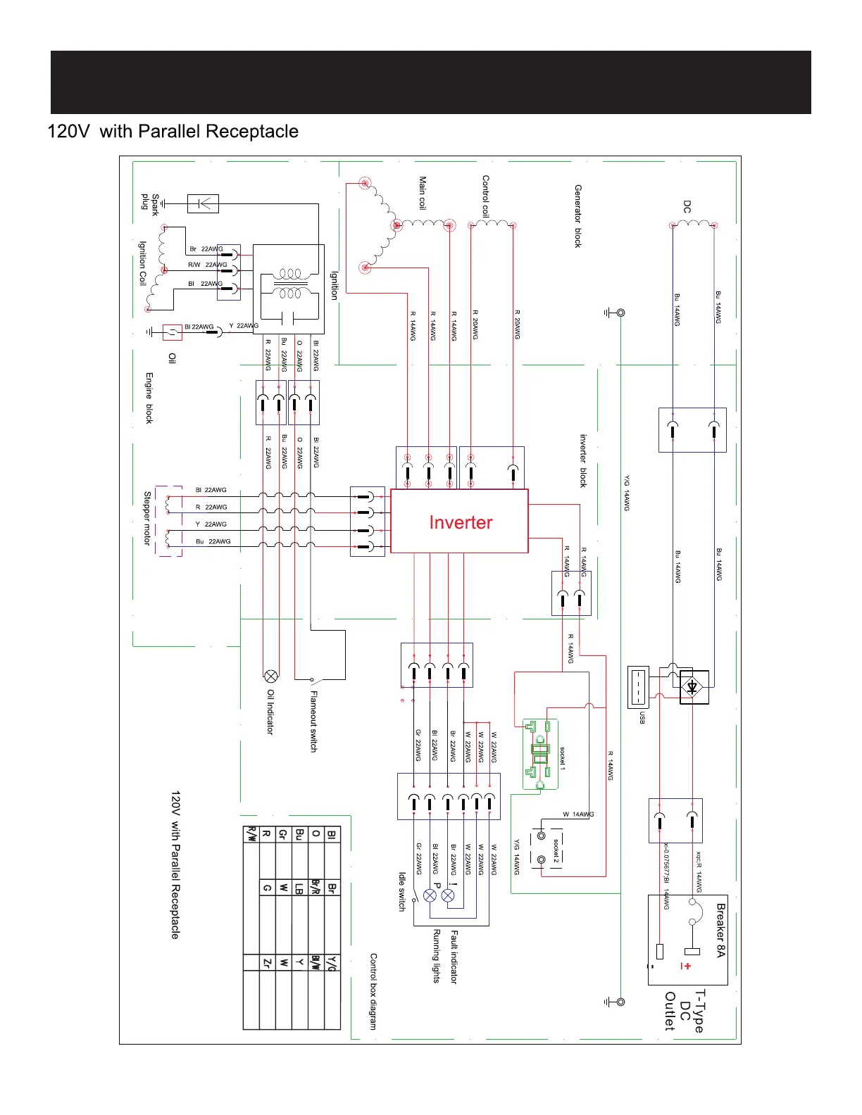
WIRING DIAGRAM
Black
Orange
Blue
Grey
Red
Red/White
Brown
Brown/Red
Light Blue
White
Green
Yellow/Green
Black/White
Yellow
White
Purple
26

Related product manuals