EasyManua.ls Logo

DUROMAX XP8500E - Wiring Diagram

DUROMAX XP8500E
33 pages
Print Icon
To Next Page IconTo Next Page
To Next Page IconTo Next Page
To Previous Page IconTo Previous Page
To Previous Page IconTo Previous Page
Loading...
25
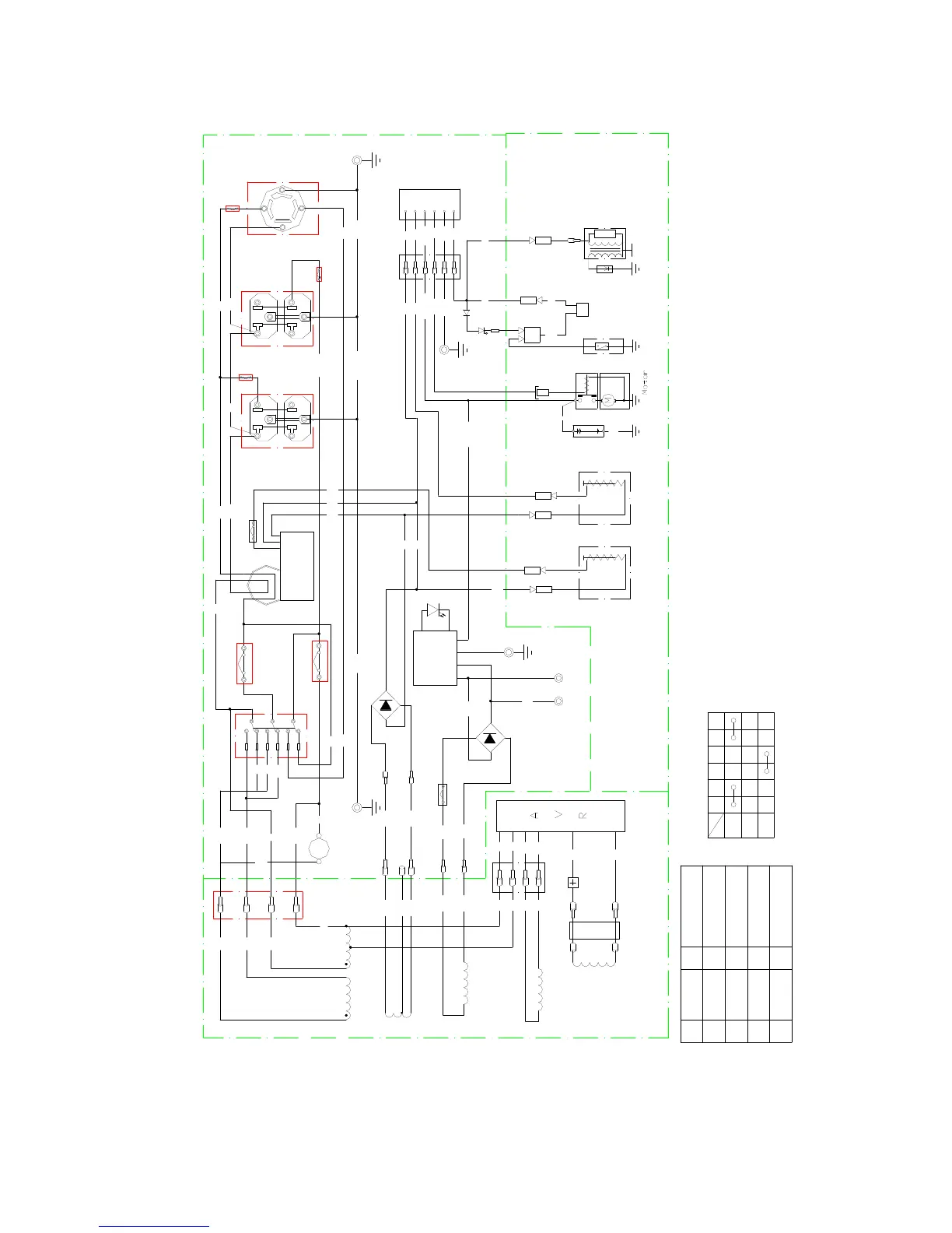
WIRING DIAGRAM(XP6500E/XP8500E)
Socket
20A
R
W
Bl
OFF
G
ST
EBAT
FS
ON
Start
IG
WIRING DIAGRAM OF 120V/240V GENERATOR SET
Ignition switch connecting
W
LB
Light blue
White
Y/ G
Yellow/Green
Blue
Gray
Red
Gr
R
Bu
Black
Bl
Br/R
Brown/Red
O
Orange
Brown
Br
W
R
Bu
Bu
Br
W
Bl
Bu
Bu
R
W
Excitation coil
Generator block
Magnetic field
coil
R
W
Main coil
Bl
DC coil 1
Dc coil 2
Bl
Br
Br
Br
LB
LB
V
8A
R
R
W
Gr
Gr
W
R
LB
R
Socket
R
Gr
Y/G
Bl
R
Current
sensor
Autp-throttle
W
O
Y/G
Bl
Gr
+
LB
R
R
O
Engine block
Current sensor
Valve
WW
R
Y/G
Bl
Ignition switch
Bl/W
Bl/W
W
fuel solenoid
Valve
fuel
protector
Spark
plug
Ignition coil
Bl
Oil alert unit
Start relay
Bu
R
Battery
IG
Bl
Bl/W
Br/R
R 3KΩ
D IN5408
LED
Br/R
O
G
BAT
FS
E
ST
Bu
Y/G
R
Recharge
Block
R
W
R
O
Br/R
Bu
Y/G
BlBl
CIRCUIT
BREAKER
CIRCUIT
BREAKER
LED
30A
Socket
20A

Related product manuals