EasyManua.ls Logo

Dyna-Glo KFA50H - Page 19

Dyna-Glo KFA50H
27 pages
Print Icon
To Next Page IconTo Next Page
To Next Page IconTo Next Page
To Previous Page IconTo Previous Page
To Previous Page IconTo Previous Page
Loading...
NEVER LEAVE THE HEATER
UNATTENDED WHILE BURNING!
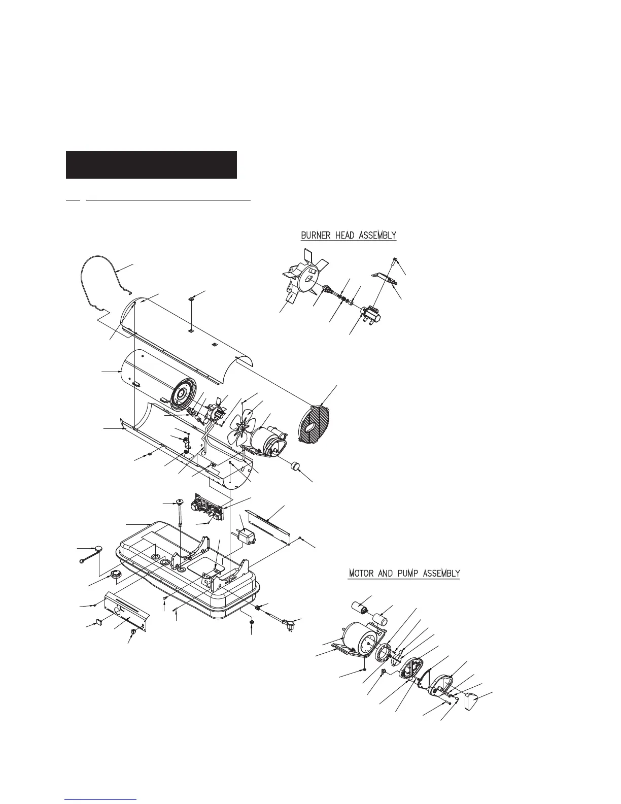
14. EXPLODED PARTS DRAWING (KFA50H/75H/125H Models Only)
NOTE : SPECIFY MODEL NUMBER AND PART NUMBER WHEN ORDERING PARTS.
18
29
10
9
40
43
39
42
41
21
22
23
24
27
28
26
18
20
11
19
12
16
14
15
25
13
37
32
38
1
4
3
31
30
7
6
5
36
2
34
33
35
17
26-17
8
26-4
26-14
26-13
26-12
26-10
26-16
26-15
26-11
26-7
26-5
26-2
26-6
26-1
26-3
26-8
26-9
26-18
26-19
26-20
26-21
23-1
23-2
23-4
23-3
23-5
23-6
23-7
23-8

Related product manuals