EasyManua.ls Logo

E-Mu 1616 - Aux Section; Sidechain Diagram

E-Mu 1616
123 pages
Print Icon
To Next Page IconTo Next Page
To Next Page IconTo Next Page
To Previous Page IconTo Previous Page
To Previous Page IconTo Previous Page
Loading...
4 - The PatchMix DSP Mixer
Mixer Strip Creation
E-MU 1616/1616M CardBus Digital Audio System 39
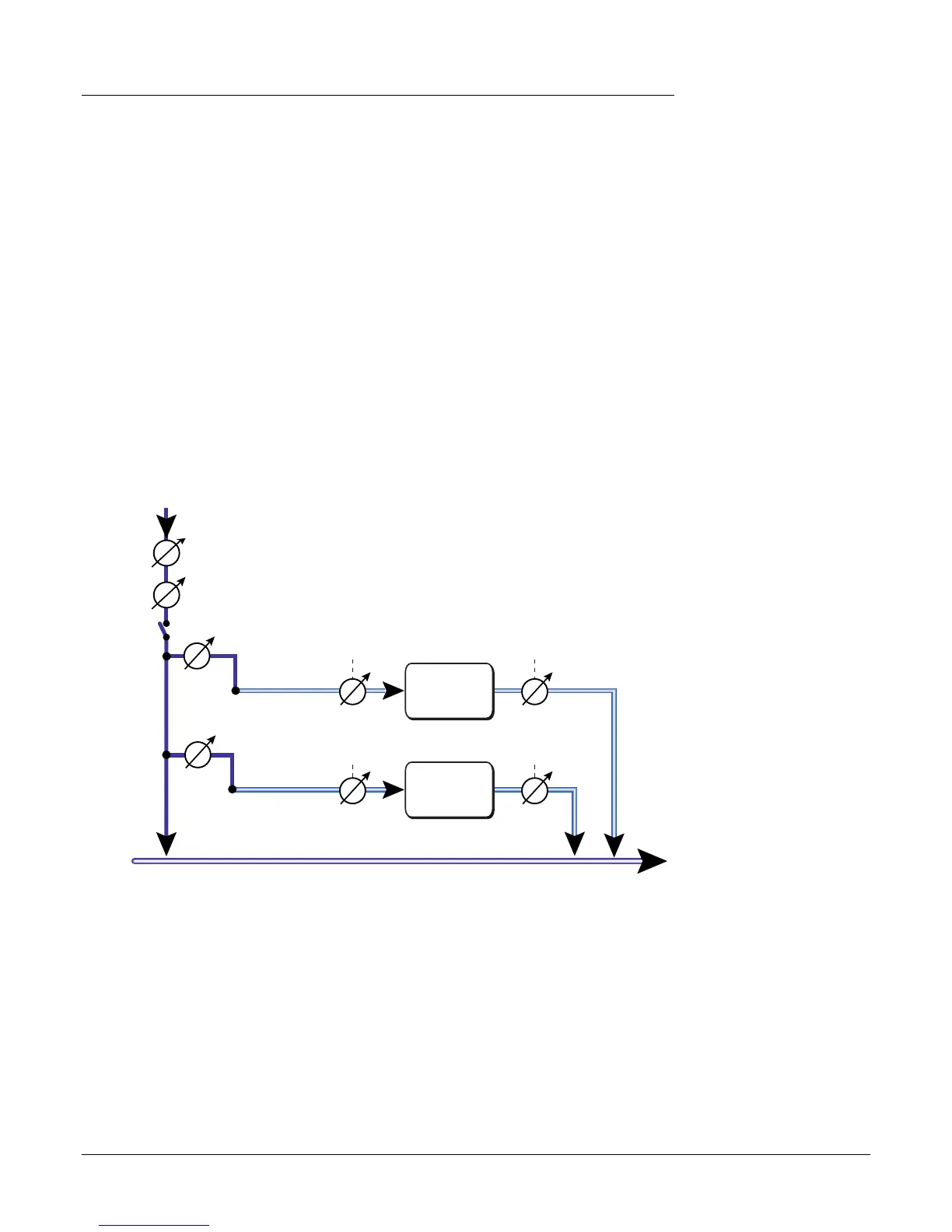
Aux Section
The Auxiliary Sends tap the signal from the channel strips and sum them together
before sending the mix to the Auxiliary Effects section. In a traditional mixing console,
aux sends are used to send part of the signal to outboard effect devices, then return the
effected signal back into the mix using the effect returns. This is called a Sidechain
Routing because the aux signal takes a detour through the effects before being summed
back into the main mix. Sidechain effects are usually effects that you might want
applied to several channels, such as reverb.
Incidentally, the wet/dry mix of effects in the Aux Sends should normally be set to 100%
wet. This is because you will be adjusting the effect amount using the Aux Return
control instead. If you have more than one effect in an Aux Bus, ignore the preceding
advice as the wet/dry controls can be used to mix the amounts of your multiple effects.
The Aux 1 & 2 buses can also be used as additional submix output buses just like the
main output. Simply drop an ASIO or External Send Insert into the chain and the stereo
bus is sent. Turn off the Return Amount if you don’t want the submix to be combined
into the main mix.
Aux Send and Return values can also be changed by typing directly into the displays.
Other Uses of the Aux Sends
You can think of the Aux Sends as two extra mixing buses because that’s exactly what
they are. These two mixes can be routed anywhere, such as to a physical output or an
ASIO pair. You could route one of the Aux buses to the Monitor out to create a monitor
mix while sending the main mix off to your audio recording software.
Main / Monitor Bus
Side
Chain
Output
Return
Amount
Send
Amount
Input
Amt
Amt
Aux Bus 1
Pan
Fader
Mute
Side
Chain
Return
Amount
Send
Amount
Aux Bus 2
Sidechain Diagram
(Post-Fader Aux Sends)

Table of Contents

Other manuals for E-Mu 1616

Related product manuals