EasyManua.ls Logo

E-Tech S06-HAE - Hydraulic Schematics; Hydraulic Schematic for S06-HAE

E-Tech S06-HAE
110 pages
Print Icon
To Next Page IconTo Next Page
To Next Page IconTo Next Page
To Previous Page IconTo Previous Page
To Previous Page IconTo Previous Page
Loading...
OPERATOR’S MANUAL with Maintenance Information
Schematic
91
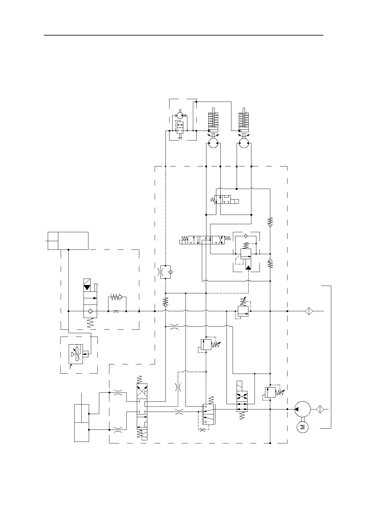
Hydraulic Schematic
S06-HAE
Pump
IN
A
A
B
B
SV5
CV3
D3
D2
D1
D4
SV4
SV3
P
M
T
BRK
L
S2
S1
LB
B
RB
RV3
SV2
RV2
CB1
CV2
CV1
RV1
EC1
ORF7
ORF3
SV1
ORF1
ORF2
ORF5
ORF4
80bar
Tank
Filter
Function valve
Steer cylinder
Platform loading
(Option)
Lift
cylinder
Lower valve
Sensor
Hand pump
Motor
Brake
Motor
Brake
235bar
1.5mm
150bar
Filter
ORF8