EasyManua.ls Logo

E-Tech S06-HAE - Hydraulic Schematics for S0608-S1412 HAE Models

E-Tech S06-HAE
110 pages
Print Icon
To Next Page IconTo Next Page
To Next Page IconTo Next Page
To Previous Page IconTo Previous Page
To Previous Page IconTo Previous Page
Loading...
OPERATOR’S MANUAL with Maintenance Information
Schematic
92
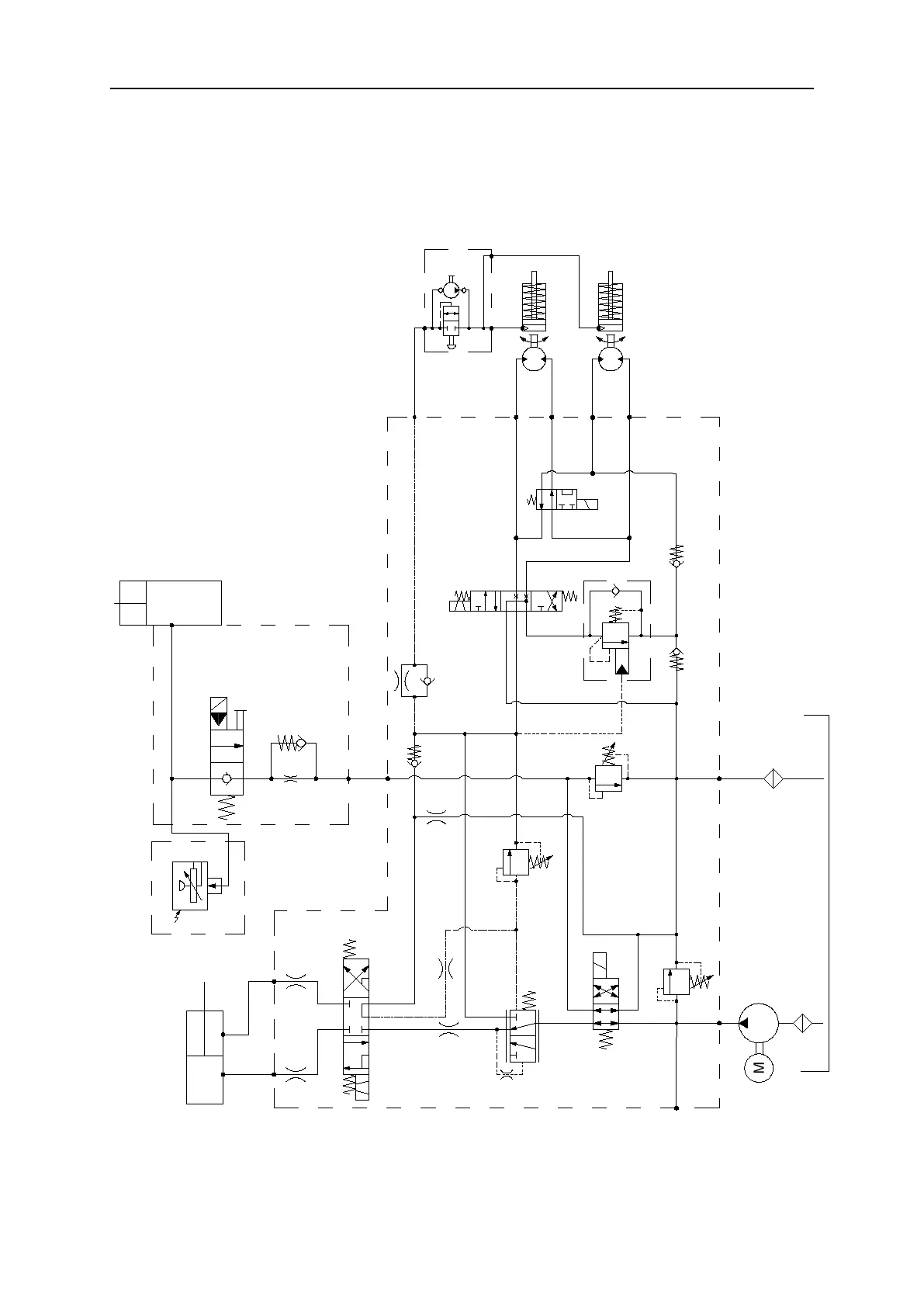
Hydraulic Schematic
S0608-HAE S0808-HAE S0812-HAE
Pump
IN
A
A
B
B
SV5
CV3
D3
D2
D1
D4
LB
B
RB
RV3
SV2
RV2
CB1
CV2
CV1
RV1
EC1
ORF7
ORF3
SV1
ORF1
ORF2
ORF5
ORF4
120bar
Tank
Filter
Function valve
Steer cylinder
Platform loading
(Option)
Lift
cylinder
Lower valve
Sensor
Hand pump
Motor
Brake
SV4
SV3
P
M
T
BRK
L
S2
S1
1.5mm
235bar
Motor
Brake
Filter
ORF8
RV2=130bar(JCPT0808HA)
RV2=160bar(JCPT0812HA)
RV2=160bar(JCPT1008HA)
RV2=210bar(JCPT1012HA)
RV2=130bar(S0608-HAE)
RV2=160bar(S0808-HAE)
RV2=210bar (S0812-HAE)