EasyManua.ls Logo

Eagle Premier Series - BASIC WIRING (NEW).cct

Eagle Premier Series
13 pages
Print Icon
To Next Page IconTo Next Page
To Next Page IconTo Next Page
To Previous Page IconTo Previous Page
To Previous Page IconTo Previous Page
Loading...
A
A
B
B
C
C
D
D
1 1
2 2
3 3
4 4
5 5
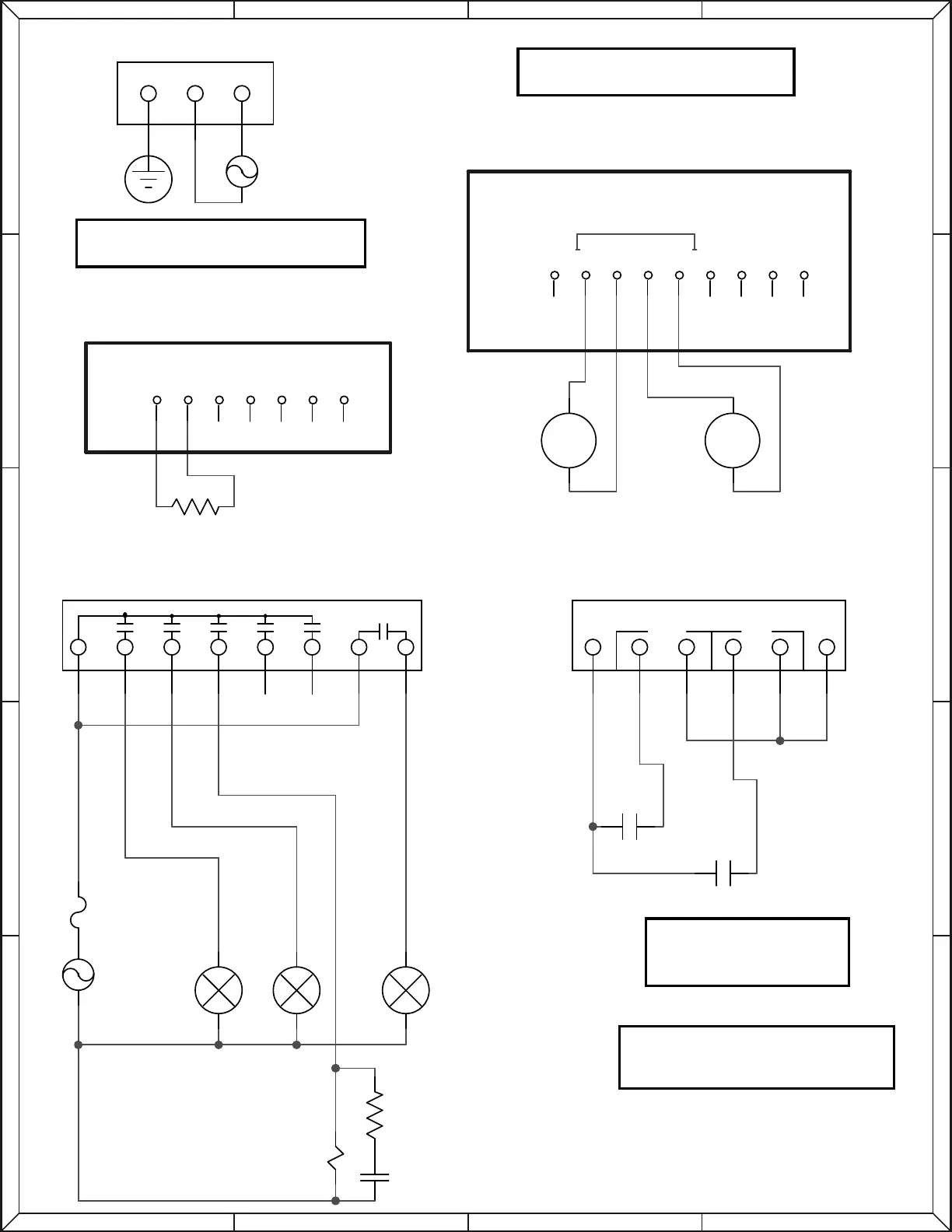
CONTROLLER 4-20mA LOAD (VALVE, PUMP, ETC.)
SCADA SYSTEM, CHART RECORDER, ETC.
(PO1)
PS-1000S-CPU
4-20mA OUTPUT (PO1)
4-20mA SELF POWERED SOURCES
& 4-20 CALIBRATOR WIRING
PS-1000S-CPU
BOARD REVISION (REV):
0644 AND ABOVE
B
A
S1 (V.SELECT)
SELECTS 115V OR 230V A.C. POWER
PS-1000S-CPU ALTERNATE CALIBRATION
NOTE: PV1 & PV2 share common negative (TB3-3 & 5)
if J1 and J2 both have G selected.
SRC
24V
SGND
INDUCTIVE
LOAD
OPTIONAL SNUBBER
OPTIONAL
...CAN BE DC
100ft
WARNING
THE CONTACT CANNOT
SUPPLY ANY POTENTIAL
9
1
TEMP
CELL
4-20mA
PV2
PV1
B
A
-
+
+
-
-
+
TB3
Rx
Tx
TB2
EAGLE MICROSYSTEMS, INC
-
+
CHANNEL ONE 4-20mA SOURCE
CHANNEL TWO 4-20mA SOURCE
AC1
LAMP1 LAMP2 LAMP3
L1
C1
R1
RELAYS
COM K1 K2 K3 K4 K5 K6
5
6
7
8
3
4
1
2
TB1
F1
+ -+ -
IN0 IN1
INPUTS
GV
5
6
3
4
1
2
TB10
CONTACT
CONTACT
G N H
POWER
TB5
E.G.
A.C. POWER SOURCE