EasyManua.ls Logo

EBARA A25S - Page 24

EBARA A25S
69 pages
Print Icon
To Next Page IconTo Next Page
To Next Page IconTo Next Page
To Previous Page IconTo Previous Page
To Previous Page IconTo Previous Page
Loading...
(10)
EBARA Corporation
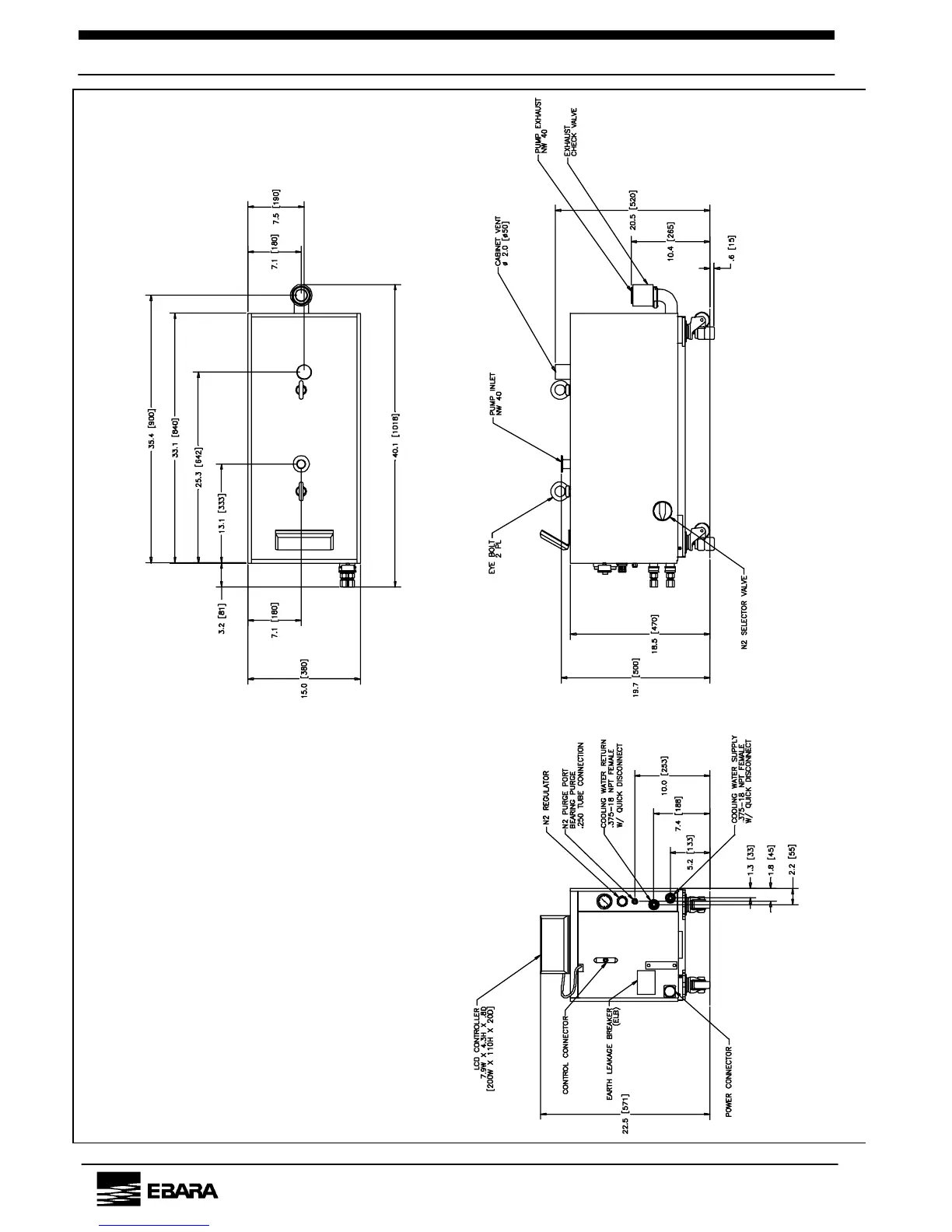
Outline Drawing A10S

Related product manuals