EasyManua.ls Logo

EBARA A30W - Page 24

EBARA A30W
69 pages
Print Icon
To Next Page IconTo Next Page
To Next Page IconTo Next Page
To Previous Page IconTo Previous Page
To Previous Page IconTo Previous Page
Loading...
(10)
EBARA Corporation
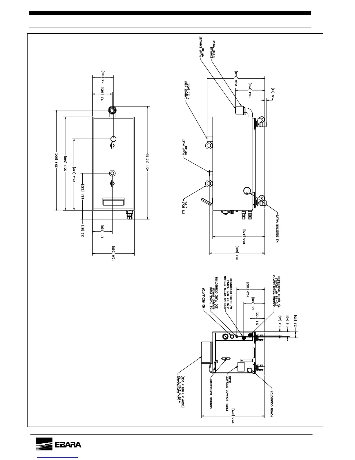
Outline Drawing A10S

Related product manuals