EasyManua.ls Logo

ebm-papst VBS0450CTTPS - Page 5

ebm-papst VBS0450CTTPS
17 pages
Print Icon
To Next Page IconTo Next Page
To Next Page IconTo Next Page
To Previous Page IconTo Previous Page
To Previous Page IconTo Previous Page
Loading...
Operating instructions
8300100076
VBS0450CTTPS
Translation of the original operating instructions
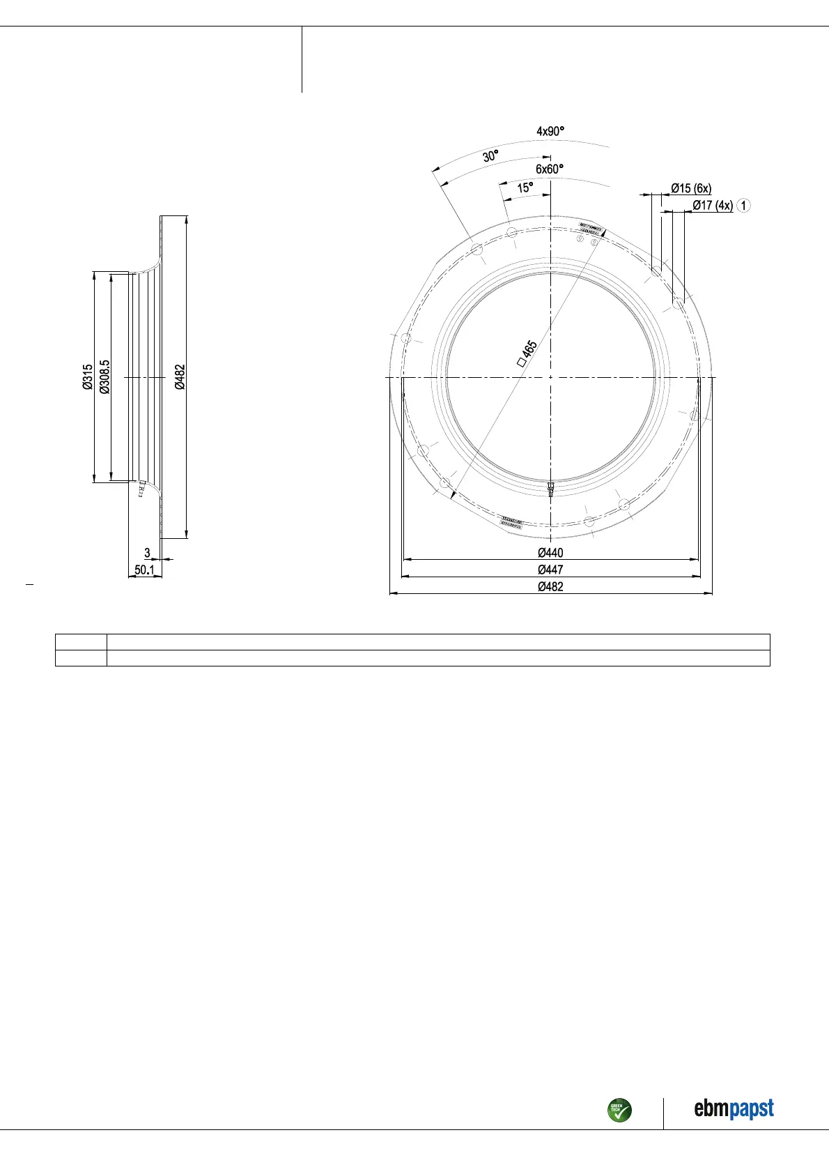
All dimensions in mm.
Inlet ring 8217102239 with pressure tap (k-factor: 232)
1 Fastening holes for FlowGrid 35505-2-2957 (not included in scope of delivery) are provided and must be subsequently opened as required
Item no. 1170000663 · ENU · Change 262664 · Approved 2022-10-26 · Page 5 / 17
ebm-papst Mulfingen GmbH & Co. KG · Bachmühle 2 · D-74673 Mulfingen · Phone +49 (0) 7938 81-0 · Fax +49 (0) 7938 81-110 · info1@de.ebmpapst.com · www.ebmpapst.com

Related product manuals